EasyManua.ls Logo

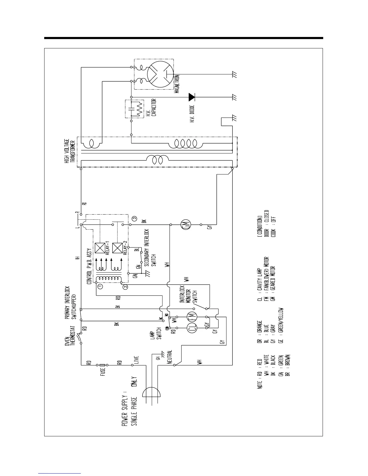
Daewoo KOR-137H - Wiring Diagram

Daewoo KOR-137H
32 pages
Print Icon
To Next Page IconTo Next Page
To Next Page IconTo Next Page
To Previous Page IconTo Previous Page
To Previous Page IconTo Previous Page
Loading...
23
WIRING DIAGRAM
S/N : 3513508100