EasyManua.ls Logo

Daewoo MC-100UBM - Page 7

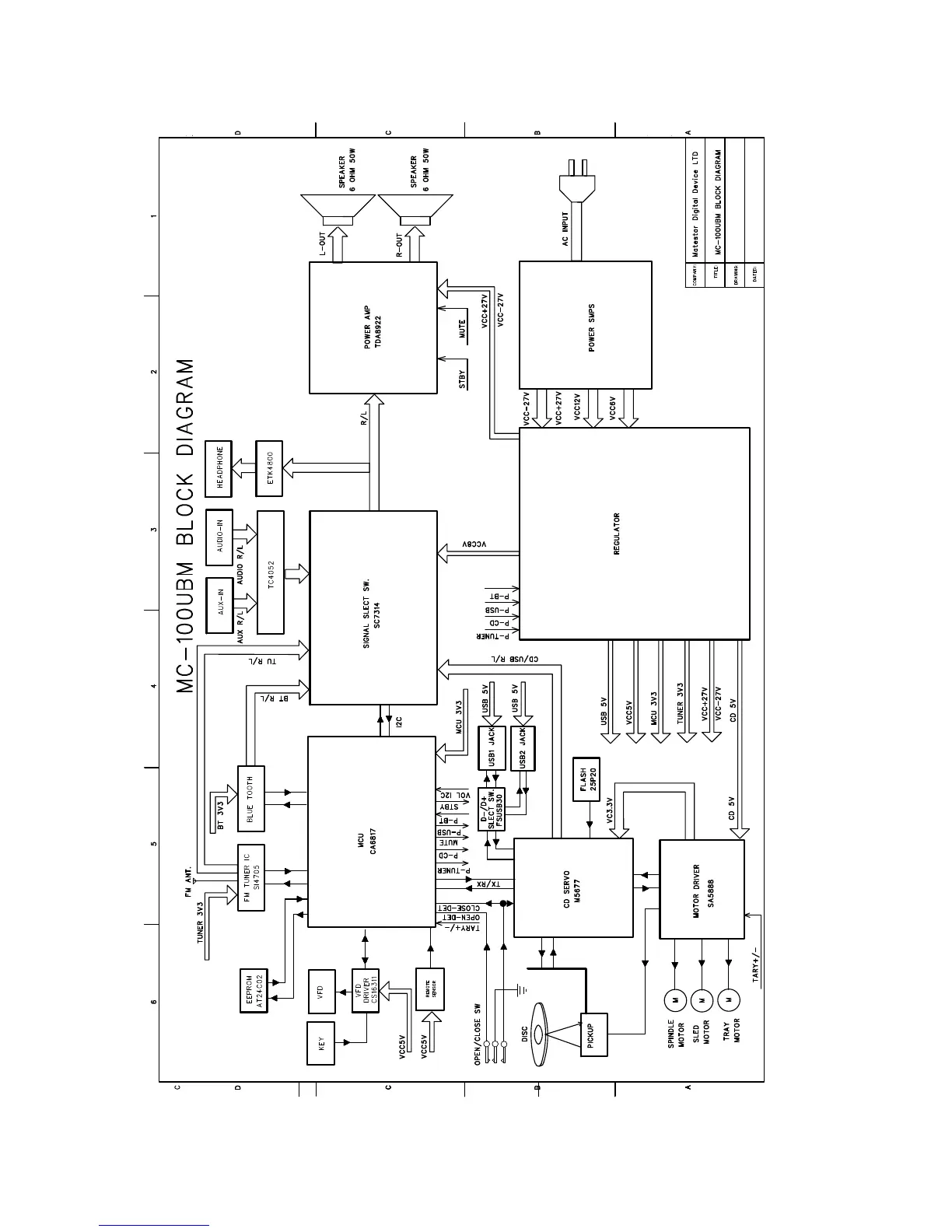
Daewoo MC-100UBM
24 pages
Print Icon
To Next Page IconTo Next Page
To Next Page IconTo Next Page
To Previous Page IconTo Previous Page
To Previous Page IconTo Previous Page
Loading...
MC-100UBM BLOCK.sch-1 - Tue Sep 03 11:20:21 2013

Related product manuals