EasyManua.ls Logo

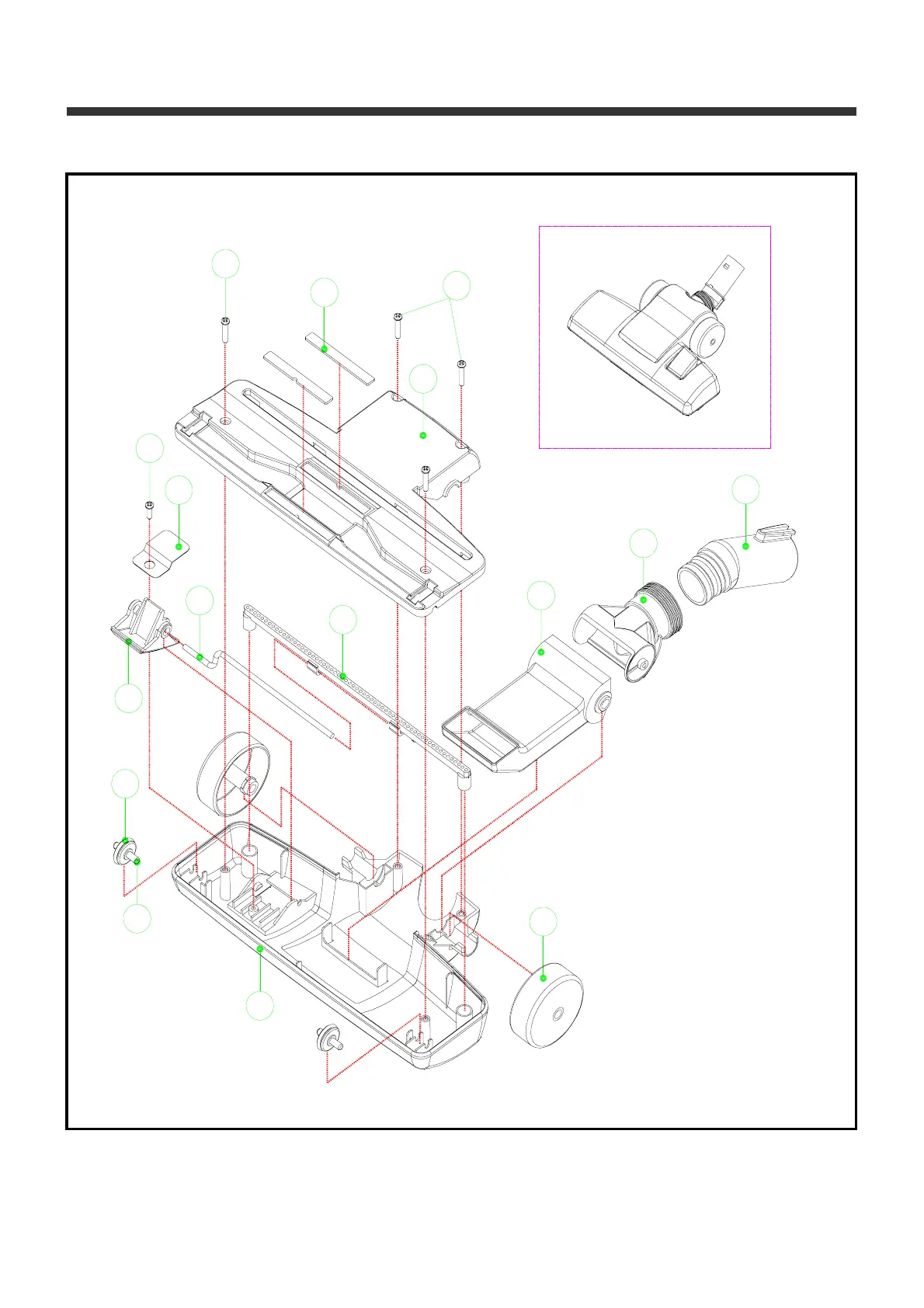
Daewoo RCC-250F - Brush Assembly

Daewoo RCC-250F
37 pages
Print Icon
To Next Page IconTo Next Page
To Next Page IconTo Next Page
To Previous Page IconTo Previous Page
To Previous Page IconTo Previous Page
Loading...
5-6. Brush Assembly [ Pedal Brush ]
1) Unscrew 4 SCREWS(#15) and separate COVER BRUSH(#1) from BODY BRUSH(#14)
12
11
7
4
3
14
6
9
8
15
1
10
15
13
2
5

Related product manuals