EasyManua.ls Logo

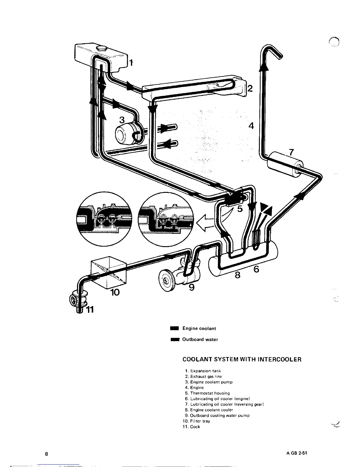
DAF DD 575 - Coolant System with Intercooler

DAF DD 575
87 pages
Print Icon
To Next Page IconTo Next Page
To Next Page IconTo Next Page
To Previous Page IconTo Previous Page
To Previous Page IconTo Previous Page
Loading...

Table of Contents

Related product manuals