EasyManua.ls Logo

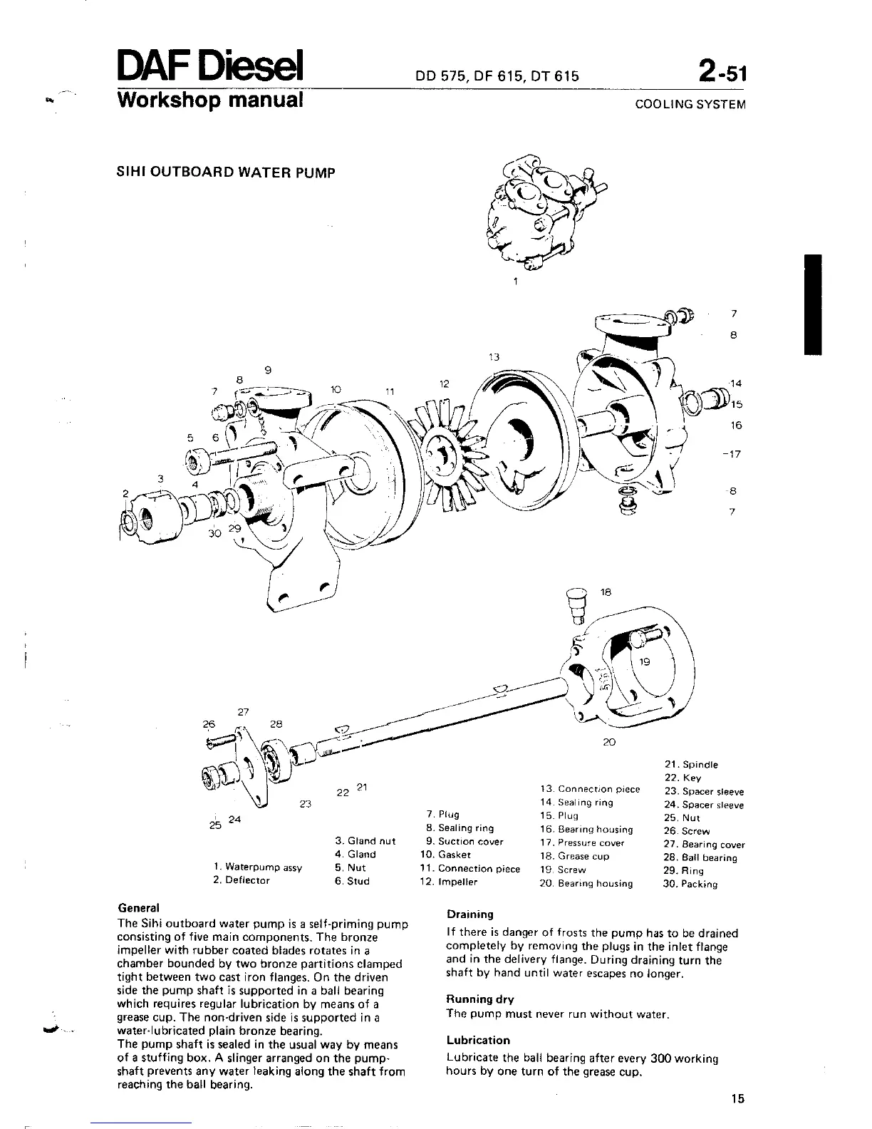
DAF DD 575 - SIHI Outboard Water Pump

DAF DD 575
87 pages
Print Icon
To Next Page IconTo Next Page
To Next Page IconTo Next Page
To Previous Page IconTo Previous Page
To Previous Page IconTo Previous Page
Loading...

Table of Contents

Related product manuals