EasyManua.ls Logo

Daikin ATKL35UV16W - Page 35

Daikin ATKL35UV16W
38 pages
Print Icon
To Next Page IconTo Next Page
To Next Page IconTo Next Page
To Previous Page IconTo Previous Page
To Previous Page IconTo Previous Page
Loading...
Applicable Model :- FTKL71UV16T.
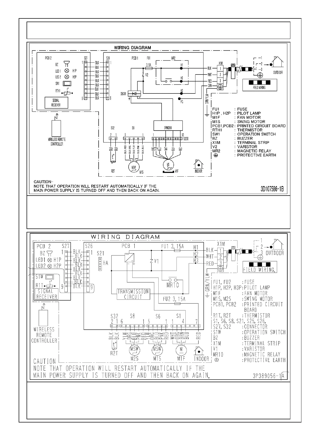
Indoor Unit -Wiring Diagram
Applicable Model :- GTKC48UV16W, GTKC48UV16WA & GTKC48UV16WF.

Related product manuals