EasyManua.ls Logo

Daikin AWV030 - Evaporator Model EV5027; Evaporator Model EV5039

Daikin AWV030
92 pages
Print Icon
To Next Page IconTo Next Page
To Next Page IconTo Next Page
To Previous Page IconTo Previous Page
To Previous Page IconTo Previous Page
Loading...
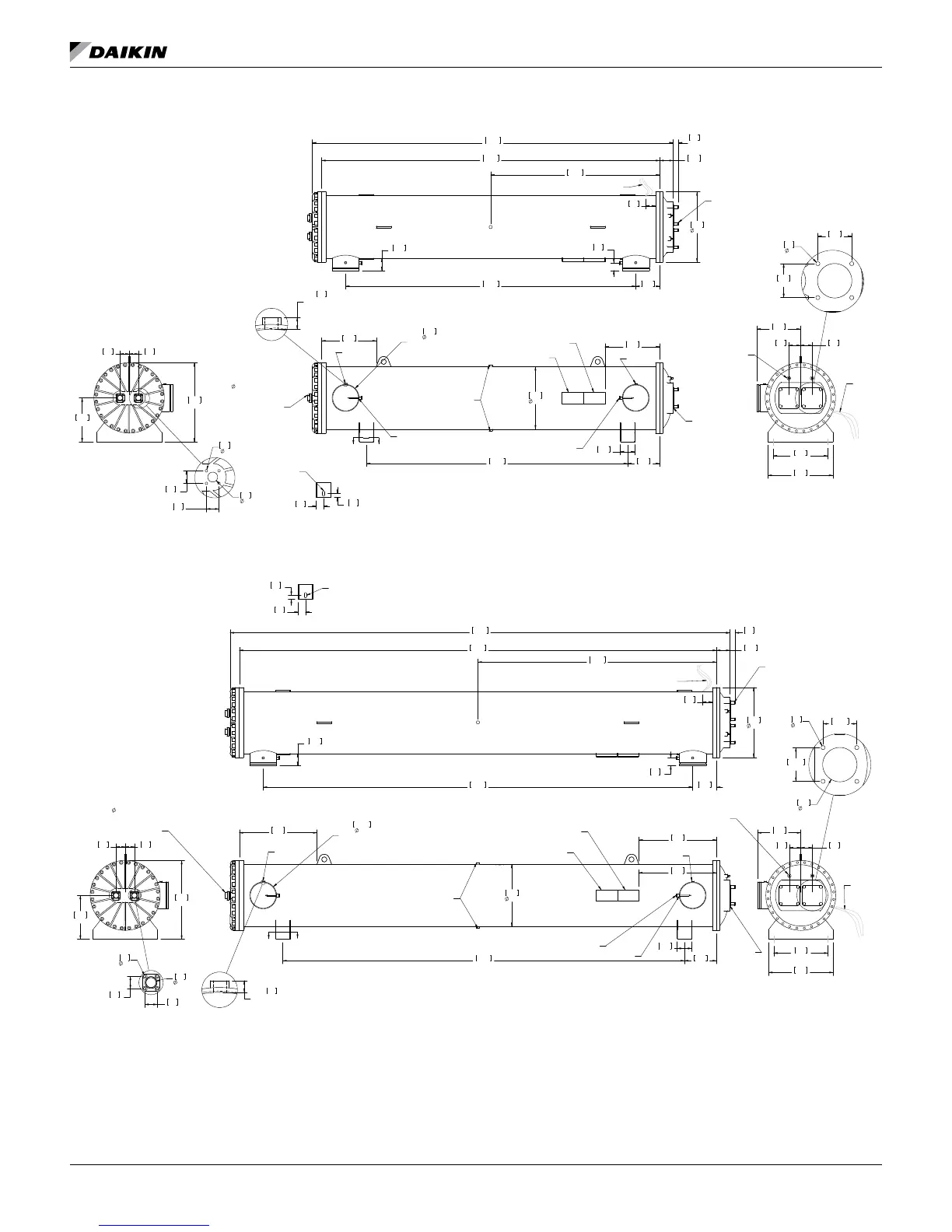
dImensIons - remoTe evaporaTors
www.DaikinApplied.com 33 IOM 1242-2 • PATHFINDER
®
MODEL AWV CHILLERS
Figure 35: Evaporator Model EV5027
Figure 36: Evaporator Model EV5039
17.4
443
262
10.3
2123
83.6
80
3.1
33
1.3
FEET MOUNTING
HEATER
WIRES
SHRADER FITTING
FOR REFRIGERANT
PRESSURE (2)
3.70
94
3.70
94
528
20.8
354
13.9
DETAIL A
5.43
5.43
138
138
16
.6
EVAPORATOR EV5027
332532200
NAME PLATE
QTY 2
1/2" NPTF
# E44136600
PART # E44070016
SENSOR WELL
ASME/ CRN
OUTLET
O RING # E44130152
LIQUID FERRULE
EVAPORATOR
INLET
NAME PLATE NAME PLATE
1.625 IDS
1/4" NPTF
FLANGE # E44060007
QTY 2
(SEE NOTE9)
EVAPORATOR
NAME PLATE
ASME/CRN
1/2" NPTF
3000# HALF CPLG.
QTY 2
SUCTION O RING
1/4" NPTF
17.5
445
17.5
120
4.7
445
20.0
508
219
8.63 PIPE
GROOVED
QTY 2
CC
3.0
75
25.4
644
358
14.1
75
3.0
HEATER
WIRES
BLOCK-OFF
WITH PLATES,
SPACERS, AND BOLTS
(M14 X 1.50 X 50MM LONG)
3.9
100
108.3
2750
54.1
1375
195
7.7
2360
92.9
64
2.5
572
22.5
42
1.6
REF
110
4.3
2935
115.6
51
2.0
40
2.0
51
1.6
10
.4
12
.5
ALL Ø.25
COUPLINGS
SECTION C-C
18MM X 43MM
SLOTS
(QTY. 4)
60
2.4
17.4
443
80
3.2
262
10.3
3283
129.3
33
1.3
332532300
EVAPORATOR EV5039
FEET MOUNTING
WIRES
HEATER
SCHRADER FITTING
FOR REFRIGERANT
PRESSURE (2)
20.8
528
3.70
94
3.70
94
354
13.9
WIRES
HEATER
BLOCK-OFF
WITH PLATES,
SPACERS, AND BOLTS
(M14 X 1.50 X 50MM LONG)
1.6
42
REF
110
1950
4.3
3900
153.5
3.9
100
64
2.5
7.7
195
138.2
3510
22.5
572
76.8
4085
160.8
2X
12
.5
ALL Ø.25
COUPLINGS
2.95
75
14.1
358
75
2.95
644
25.4
INLET
ASME/ CRN
QTY 2
NAME PLATE NAME PLATE
SENSOR WELL
EVAPORATOR
OUTLET
EVAPORATOR
LIQUID FERRULE
O RING # E44130152
ASME/CRN
FLANGE # E44060007
NAME PLATE
QTY 2
NAME PLATE
1/4" NPTF
1/2" NPTF
PART # E44070016
(SEE NOTE9)
QTY 2
# E44136600
1.625 IDS
1/2" NPTF
3000# HALF CPLG.
SUCTION
O RING
1/4" NPTF
25.0
635
638
25.1
635
25.0
508
20.0
120
4.7
219.2
8.63 PIPE
GROOVED
QTY 2
C C
DETAIL A
16
5.43
137.9
5.43
137.9
.63
140
5.5
.39
10
1.57
40
51
2.01
51
2.01
18MM X 43MM
SLOTS
(QTY. 4)
SECTION C-C
60
2.4

Table of Contents

Related product manuals