EasyManua.ls Logo

Daikin BRC1D71 - Page 3

Daikin BRC1D71
6 pages
Print Icon
To Next Page IconTo Next Page
To Next Page IconTo Next Page
To Previous Page IconTo Previous Page
To Previous Page IconTo Previous Page
Loading...
2
2
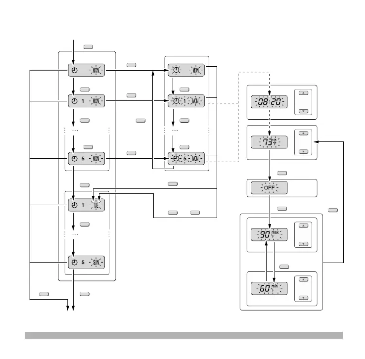
Start
FUNCTION
FUNCTION
FUNCTION
TIME
TEMP
TEMP
TEMP
FUNCTION
FUNCTION
FUNCTION
FUNCTION
FUNCTION
FUNCTION
FUNCTION SETBACK
SETBACK
SETBACK
FUNCTION
FUNCTION
FUNCTION
FUNCTION
FUNCTIONSCHEDULE
FUNCTION
5s
5s
5s
+
5s
5s
End
SETBACK
MODE
max/min
✦✷✤✩✩✪✧✥-✤_✳L.❇m ✷❂❈❆ ✾❆❅n❆s❅❂❖, O❄❏o❃❆❍ 5, ✥✣✣5 ✤✤:✤✪ ✮M

Other manuals for Daikin BRC1D71

Related product manuals