EasyManua.ls Logo

Daikin BRC2A71 - Page 2

Daikin BRC2A71
3 pages
Print Icon
To Next Page IconTo Next Page
To Next Page IconTo Next Page
To Previous Page IconTo Previous Page
To Previous Page IconTo Previous Page
Loading...
En.
3P146205-1
REMOTE CONTROLLER MOUNTING INSTRUCTIONS
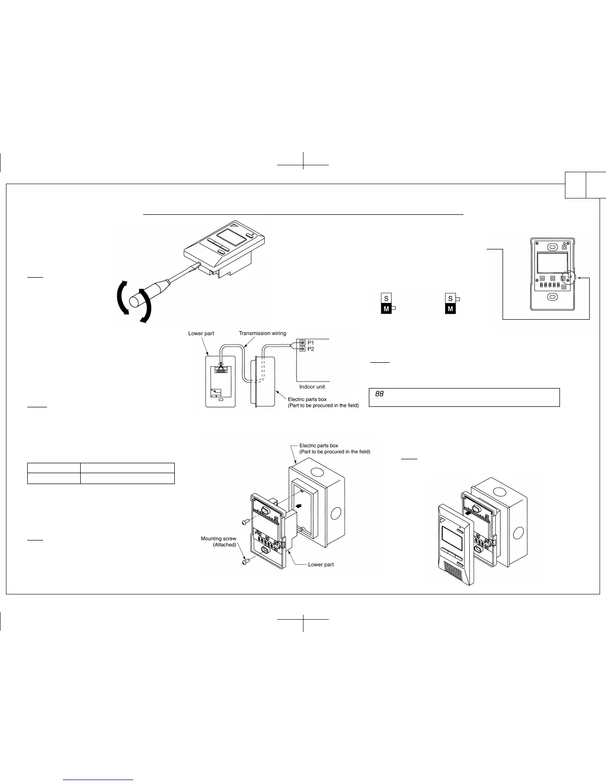
1. Remove the upper part of remote controller.
Insert a minus screwdriver into the
slot between the upper and the
lower part of remote controller.
NOTE
1. Do not directly touch the PC 
board with your hand.
4. Initial setting
Change the MAIN/SUB changeover switch
setting as described below.
If controlling one indoor unit with two remote
controllers, set one remote controller to
MAIN. and the other to SUB.
5. Reattach the upper part of remote controller.
NOTE
1. Do not directly touch the PC board with your hand.
NOTES
• If controlling with one remote controller, be sure to set it to MAIN.
• Set the remote controller before turning power supply on.
“ ” is displayed for about one minute when the power supply is
turned on, and the remote controller cannot be operated in some cases.
2. Wire the indoor unit.
Connect terminals P1 and P2 on the rear of
the lower part of remote controller to
terminals P1 and P2 on the indoor unit.
(Terminals P1 and P2 have no polarity.)
3. Fasten the remote controller.
Attach the lower part of remote controller to the electric parts box
(part to be procured in the field).
NOTE
Choose the flattest place possible for the mounting surface. Be
careful not to distort the shape of the lower part of remote controller
by over-tightening the mounting screws.
For the electric parts box to be procured in the field, use optional
accessories KJB111A.
NOTES
1. The electric parts box and wiring for connection are not included.
2. When wiring, run the wiring away the power supply wiring in order to
avoid receiving electric noise (external noise).
3. When wiring, refer to the wiring diagram of indoor unit (attached to
indoor unit) as well.
WIRING SPECIFICATION
Wiring type
Size
Sheathed wire (2 wire)
AWG18 or AWG16
Main Remote
Controller
(Factory Set)
Sub Remote
Controller

Related product manuals