EasyManua.ls Logo

Daikin DPS004 - Control & Arrangement

Daikin DPS004
122 pages
Print Icon
To Next Page IconTo Next Page
To Next Page IconTo Next Page
To Previous Page IconTo Previous Page
To Previous Page IconTo Previous Page
Loading...
Control & Arrangement
In conjunction with dehumidication, MHGRH is used to raise
the temperature of the cooled air to a desirable value. MHGRH
is comprised of a parallel coil arrangement, with dual reheat
valves (which operate in concert with one another) and a check
valve.
During Dehumidication control with modulating Hot Gas
Reheat (MHGRH) an analog signal (0-10Vdc) is controlled as
described below.
A PI Loop is used to control the HGRH valves to maintain
the Discharge Air Temperature from the reheat coil.
Compressor staging during reheat (or dehumidication)
will be controlled by the Leaving DX Coil Temperature.
For increased dehumidication during reheat, the
standard default compressor staging range is 45 - 52°F.
When dehumidication is active in the Cooling state, the
reheat set point equals the DAT Cooling Setpoint. For
DAT units, this is the normal DAT set point resulting from
any reset. For Zone Control units, this set point is the
result of a PI Loop based on the Control Temperature.
Communication with the reheat control valves is
accomplished by providing a 0-10Vdc signal to a pair of
interface boards which in turn supply the control signal to
the reheat valves (step type).
In the Fan Only state, no sensible cooling is required,
but dehumidication mode will still be enabled if the
dew point or humidity sensor is not satised. Reheat
set point varies from a maximum value (default 65°F)
when the Control Temperature is at or below the heating
changeover setpoint to a minimum value (default 55°F)
when the Control Temperature is at or above the cooling
changeover setpoint.
In the reheat mode, the minimum position for the reheat
valves is 1% (1.0 Vdc). The controller will modulate the
reheat valves from this starting position.
Upon termination of dehumidication (reheat), the
maximum ramp down or decay rate of the reheat control
valves shall be 1% per sec (or 0.1V per sec).
Upon termination of dehumidication (reheat), staging
of compressor(s) is delayed for 1 minute after reheat
capacity = 0% (0 Vdc).
Every 24 hours, the reheat control valves will be driven to
their maximum position (10Vdc) and then returned to their
normal operating position (0Vdc). If unit is operating in
cooling or dehumidication (reheat) at the prescribed time
it will be deferred to the next time.
Dehumidication status can now be found under the
MicroTech III main system menu. Reheat capacity (valve
position) can also be found under the main system menu,
display based on percentage (0-100%).
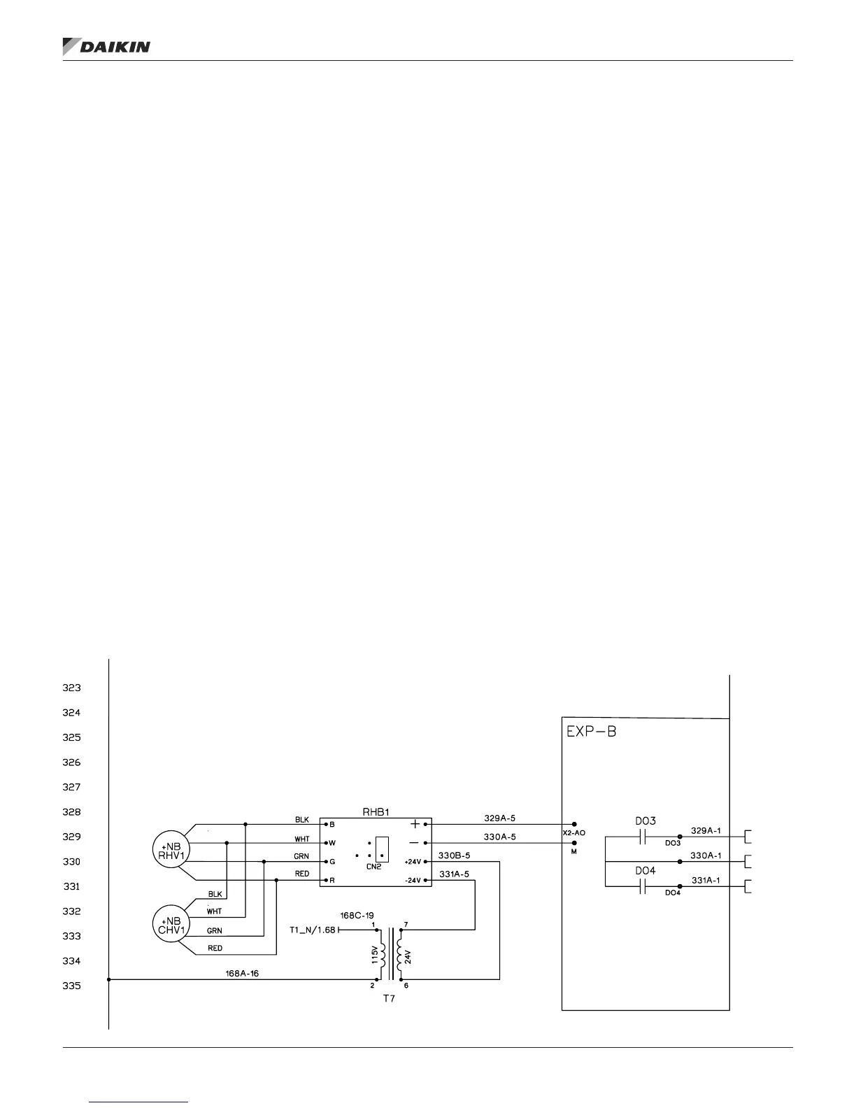
Figure 39: Modulating Hot Gas Reheat Schematic
IM 1125-7 • REBEL ROOFTOPS 38 www.DaikinApplied.com
opTIonal ModulaTIng hoT gas reheaT

Table of Contents

Related product manuals