EasyManua.ls Logo

Daikin DPS004 - DPS 003-015 (only) Ignition Control Module for Modulating Gas Furnace

Daikin DPS004
122 pages
Print Icon
To Next Page IconTo Next Page
To Next Page IconTo Next Page
To Previous Page IconTo Previous Page
To Previous Page IconTo Previous Page
Loading...
DPS 003015 (only) Ignition Control Module for Modulating Gas Furnace
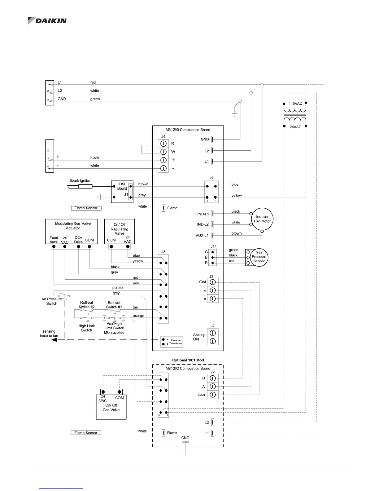
Figure 54: Typical Modulating Gas Furnace Electrical Schematic with Sensor
opTIonal gas heaT
www.DaikinApplied.com 53 IM 1125-7 • REBEL ROOFTOPS

Table of Contents

Related product manuals