EasyManua.ls Logo

Daikin DPS005 - Page 62

Daikin DPS005
122 pages
Print Icon
To Next Page IconTo Next Page
To Next Page IconTo Next Page
To Previous Page IconTo Previous Page
To Previous Page IconTo Previous Page
Loading...
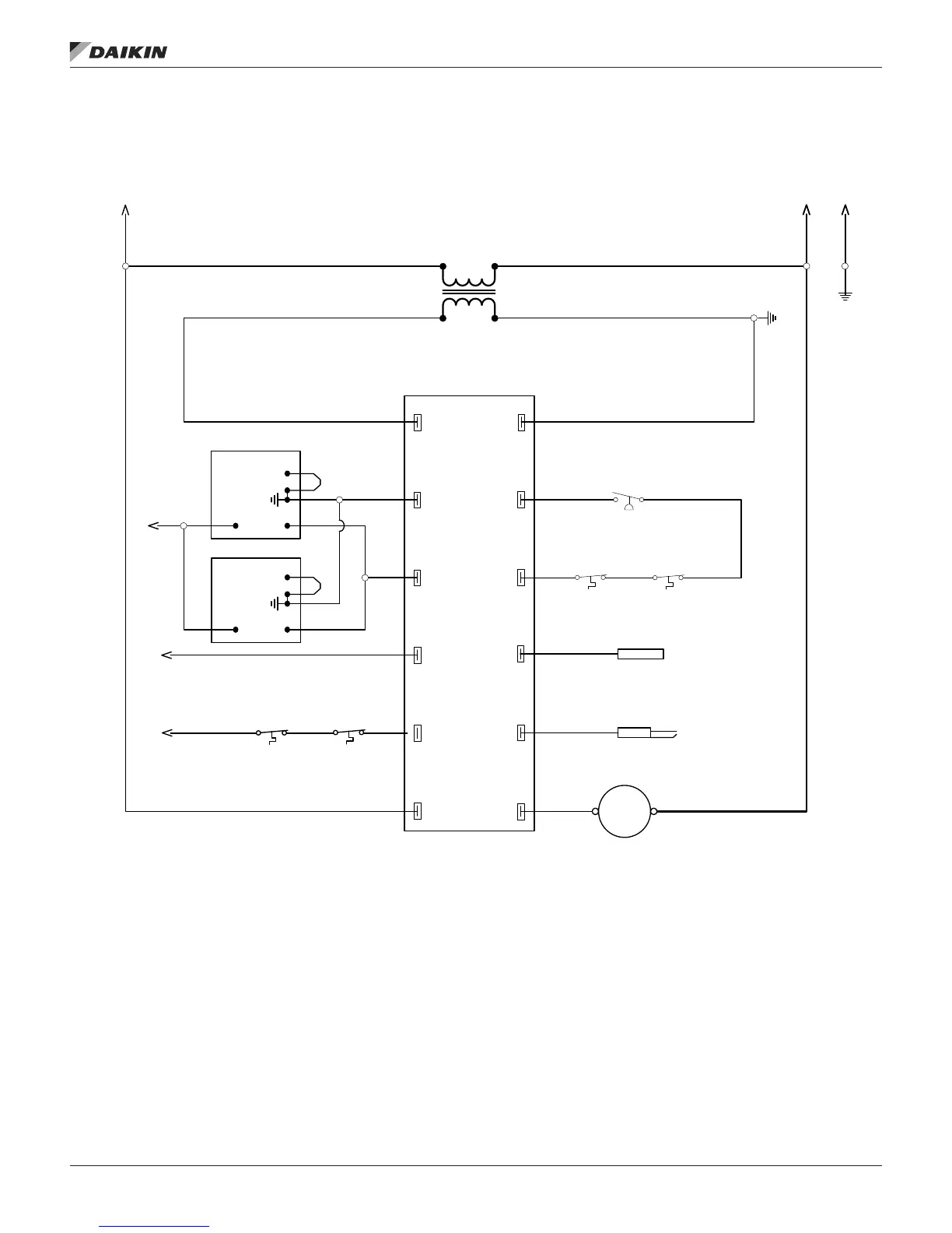
Figure 56: Typical 2 Stage Control Gas Furnace, 450/600 MBH — DPS 016–028 shown
L1
IND
COMX
MV
PS1
PS2
W
R
FS
HV
C
Hi-Limit
Switch
TS02
Aux Hi-Limit
Switch
TS01
Roll-out
Switch #1
TS03
Air Pressure Switch
PS01
Spark Igniter
SI01
Roll-out
Switch #2
TS04
MTR
24VAC
115VAC
C
HI
LO
remotely
mounted
602A
602B
TB10
604A
604B
614A
612A
TB10
612D
604A 608A
611C 611D
614B
614C
617B
620D
623A
617A
602C
620A
620B
620C
(Daikin P/N 910172859; includes ignitor and wire)
600
601
602
603
604
605
606
607
608
609
610
611
612
613
614
615
616
617
618
619
620
621
622
623
624
P1-1/L1 P1-2/L2
P1-3/GND
LED Diagnostic Information
Steady Off: No power or Control hardware fault
Steady On: Power applied, Control OK
1 Flash: Combustion fan motor energized, Pressure switch open
2 Flashes: Combustion fan motor off, Pressure switch closed
3 Flashes: Ignition lockout from too many trials
4 Flashes: Ignition lockout from too many flame losses within single call for heat
5 Flashes: Control hardware fault detected
TB10
101
T3
Class II
40VA
T01
TB10
102
TB10
GND
TB10
GND
611B
C
HI
LO
TB10
105
612C
612B
616A
103
104
611A
615A
2/A
1/A
R/A
Gas Safety Shutoff Valve #1
GSSV01
Gas Safety Shutoff Valve #2
GSSV02
602D
Inducer Fan Motor
IFM01
Flame Sensor
FS01
Ignition Module #1
IM01
UTEK 1016-575
Rebel C 450/600 MBH Gas Furnace Electrical Schematic
2 Stage Control
HW VR8305Q Vlv (for NG)
HW VR8205Q Vlv (for LPG)
HW VR8305Q Vlv (for NG)
HW VR8205Q Vlv (for LPG)
IM 1125-7 • REBEL ROOFTOPS 62 www.DaikinApplied.com
opTIonal gas heaT

Table of Contents

Related product manuals