EasyManua.ls Logo

Daikin DPS010 - Typical 575 Volt Wiring (1 of 4)

Daikin DPS010
122 pages
Print Icon
To Next Page IconTo Next Page
To Next Page IconTo Next Page
To Previous Page IconTo Previous Page
To Previous Page IconTo Previous Page
Loading...
IM 1125-7 • REBEL ROOFTOPS 86 www.DaikinApplied.com
WIrIng dIagraMs
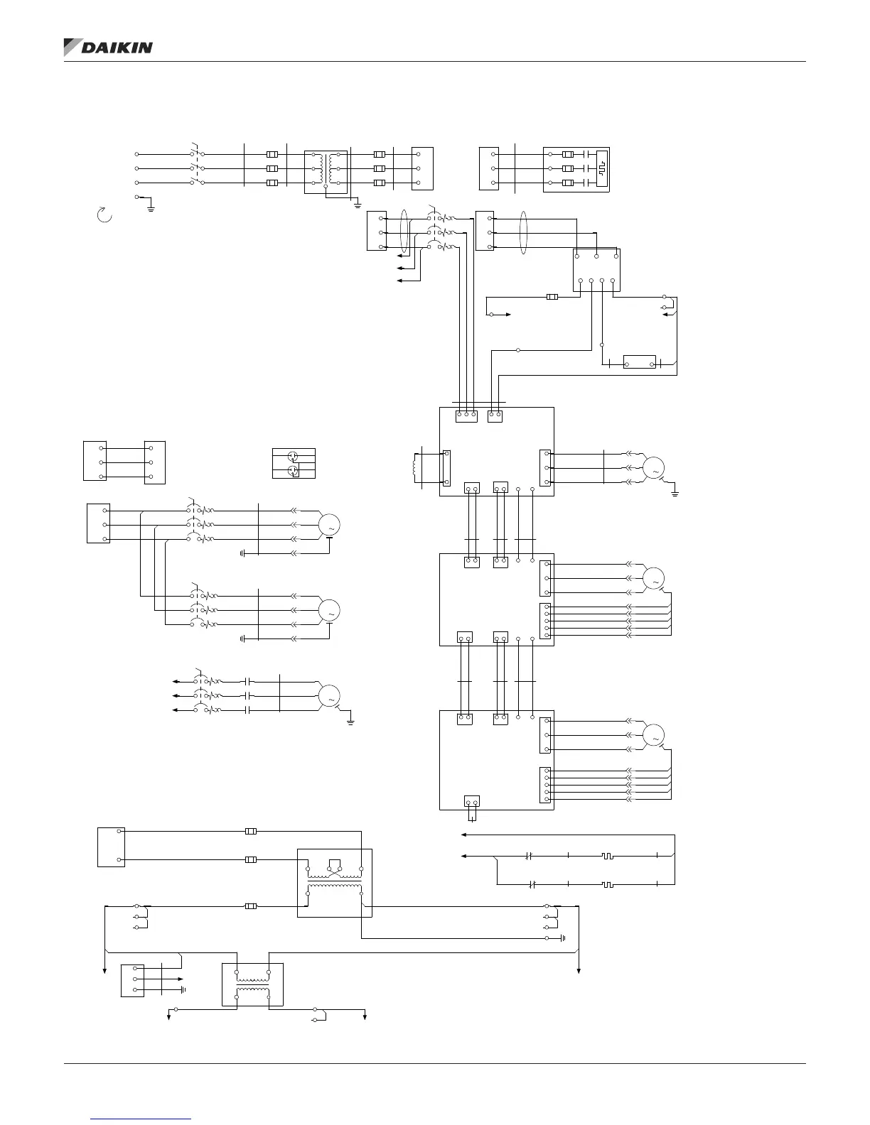
Figure 74: Typical 575 Volt Wiring (1 of 4) — DPS 007–015 shown with 460 to 575 Transformer
103
104
105
106
107
108
109
110
111
112
113
114
115
116
117
118
119
120
121
122
123
124
125
126
127
128
129
130
131
132
133
134
135
136
137
138
139
140
141
142
143
144
145
146
147
148
149
150
151
152
153
154
155
156
157
158
159
160
161
162
101
102
163
164
165
CUSTOMER
SUPPLIED
POWER
Wire for CW
phase monitor
347/575V, 3 Phase, 60Hz
347/575V, 3 Phase, 60Hz
347/575V, 3 Phase, 60Hz
347/575V, 3 Phase, 60Hz
575V
460V
X10A X1A
X41A
GFR1
X3A
X11A
GFR1
X5A
X4A
X3A X5A
X2A X1A
X5AX3A
X1AX2A
X4A
X51A
460V PRI.
120V SEC.
24V
120V
ELECTRIC HEATER
575V, 3 Phase, 60Hz
34.6 FLA
GLG1
L1 T1
L2 T2
L3 T3
(102)
DS1
H2
X1
X2
X3
T12
(106)
22kVA
H3
H1
X0
104B
105B
T12-2E
105F
1 2
F12B
1 2
F13A
1 2
35A
F13C
1 2
F13B
T12-2E
103B103A
1 2
F12A
1 2
30A
F12C
105A
104A
105D
T12-1I
104D
103D
T12-1I
105C
103C
104C
PB2
L1
L2
L3
REC1
LN-H
LD-H
LN-N
LD-N
G
L1
L2
L3
GND
NB
INDOOR_FAN
3
M
GND10
1
2
3
4
PB2
T1
T2
T3
IFN-PI
130A
129A
L1 T1
L2 T2
L3 T3
MMP10
128A
129B
131A
130B
128B
EXH-PI
GND51
L1
L2
L3
GND
NB
EXH_FAN1
3
M
1
2
3
4
L1 T1
L2 T2
L3 T3
MMP51
135A
136A
137A
134A
L1 T1
M3
L2 T2
L3 T3
L1 T1
L2 T2
L3 T3
MMP3
U
V
W GND
CMP3
NB
M
3
CMP3-PI
140A
141A
142A
x1 x2
CCH1
MB.HB
1 9
(305)
R-CCH1
113A
CCH1-I
152A
CCH1-I
114A
113A
22 21
(307)
M3
x1 x2
CCH3
MB.HB
CCH3-I
154A
CCH3-I
114A
P2
107A
W
108A
120B
120A
T2
T1
T3
LR1-I
N
T4
1290VA
L3
U
V
W GND
CMP1
NB
M
3
TB1
10
PB2
T2
113A
116A
CMP1-PI
124A
T3
T2
T1
T3
A4P-PI
125A
1 2
F4
T1
L1 T1
L2 T2
L3 T3
MMP1
A4P
PC0702-1(A)
LR1
PB2
11
TB1
9
TB1
11
P1
2
1
1
U
2
3
L1
L2
3
2 1
1
120C
3
126A
V
109A
TB1
8
116B
GF-I
GFR1
3
GF-I
1
113A
113B 113A
116B
116A
114A
110A
110B
110C
P3
N3
2
1
YEL
A4/5-I
A4/7-I
A4/41-I
5
4
3
2
1
3
2
1
2
1
P1N1
21
21
5
4
3
2
1
W
V
U
U
V
W CTRL
OFN1
NB
M
3
A5P
PC0511-1(A)
BLU
ORG
PNK
GRY
RED
BLK
WHT
BLK
5
4
3
2
1
3
2
1
2
1
21
2
1
P1N1
5
4
3
2
1
W
V
U
U
V
W CTRL
OFN2
NB
M
3
WHT
A5PJMP-I
A5P+
PC0511-2(A)
A5/4-I
RED
A5/51-I
N2 P2
1
2
A5/7-I
YEL
BLU
ORG
PNK
GRY
T3
T1
TB1
1
1
1 2
2A
F1A
1 2
2A
F1B
PB2
XF
4A
F1C
3G
T1
300VA
H4H1 H2
H3
TB1
3
3
31
160A 155A
163A 163B
TB1
5
TB1
4
COM24
120
T2B
CLASS 2
75VA
COM
5
X2X1
155A
155A
152B
150A
160A
T1
T2
T3
DS1
HEAT1
(318)
Electric Heater
L1
L2
L3
103E
HEAT1575-PI
104E
105E
124B
T1
T3
123A
4
3
125B
5
PVM1
T2
PB2
1
2
GND
161A
155A
160A
SPD-I
SPD
3G
TB1
CMP_L3 /(111)
CMP_L2 /(111)
CMP_L1 /(110)
CMP_L3 /
(142)
CMP_L2 /
(141)
CMP_L1 /
(140)
CCH_230V /(114)
CCH_N /(114)
CCH_N /(152)CCH_230V / (150)
120V_H
(202)
(302)
120V_N
(160)
(202)
(302)
T2B_24V
(248)
(357)
T2B_N
(248)
(357)
120V_N / (160)

Table of Contents

Related product manuals