EasyManua.ls Logo

Daikin DZ16 - Page 100

Daikin DZ16
112 pages
Print Icon
To Next Page IconTo Next Page
To Next Page IconTo Next Page
To Previous Page IconTo Previous Page
To Previous Page IconTo Previous Page
Loading...
100
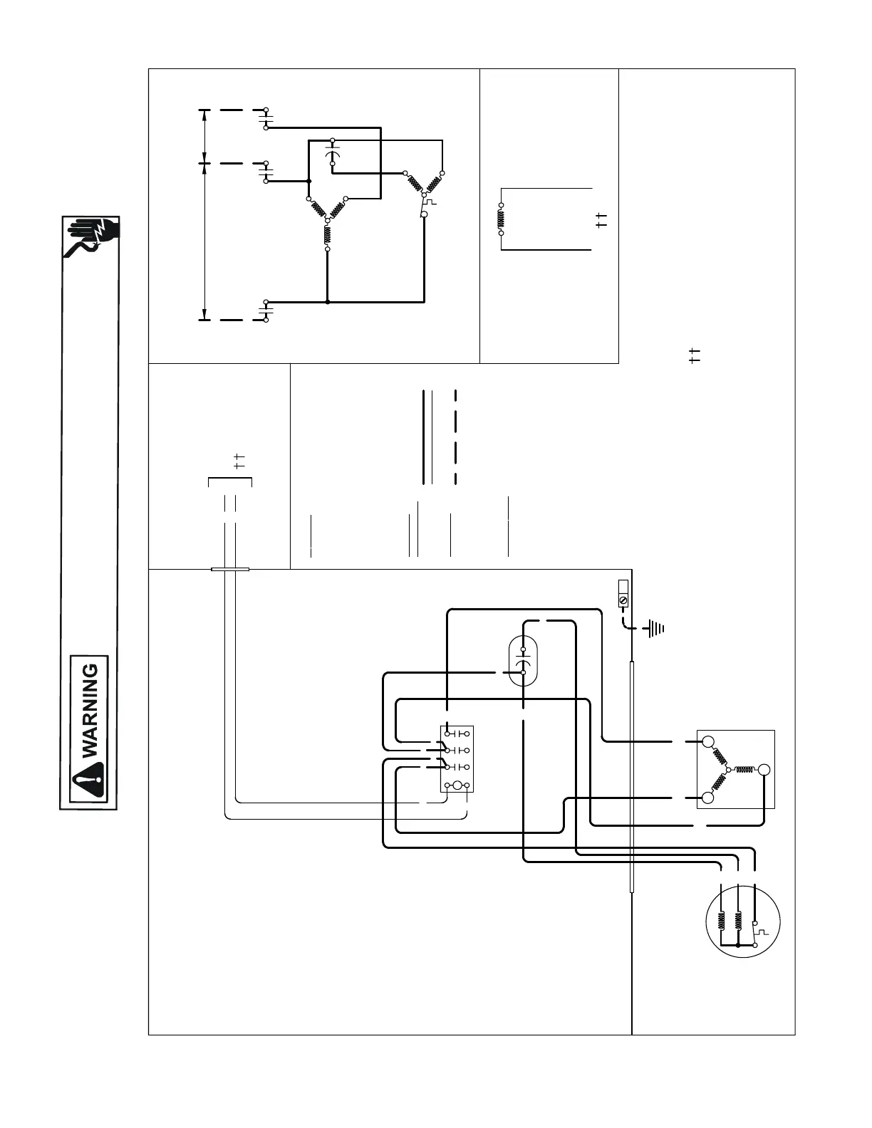
WIRING DIAGRAMS
HIGH VOLTAGE!
DISCONNECT ALL POWER BEFORE SERVICING OR INSTALLING THIS
UNIT. MULTIPLE POWER SOURCES MAY BE PRESENT. FAILURE TO
DO SO MAY CAUSE PROPERTY DAMAGE, PERSONAL INJURY OR DEATH.
Wiring is subject to change. Always refer to the wiring diagram on the unit for the most up-to-date wiring.
DX13SA0364AA
USE N.E.C. CLASS 2 WIRE
NOTES:
1) TO INDOOR UNIT LOW VOLTAGE TERMINAL BLOCK &
INDOOR THERMOSTAT.
2) USE COPPER CONDUCTOR ONLY
COMP
T1
C
T3
T2
FC
T3
C
L1
L3
M
A
I
N
A
U
X
C
C
BL
Y
C
CO
LOR
CO
D
E
BK --------------- BLACK
BL --------------- BLUE
BR --------------- BROWN
OR --------------- ORANGE
PU --------------- PURPLE
RD --------------- RED
WH -------------- WHITE
YL --------------- YELLOW
COMPO
N
ENT CODE
C --------------- CONTACTOR
CM ------------ OUTDOOR FAN MOTOR
COMP -------- COMPRESSOR
FC ------------- FAN CAPACITOR
IO -------------- INTERNAL OVERLOAD
LVJB ---------- LOW VOLTAGE JUNCTION BOX
CONTROLS SHOWN WITH THERMOSTAT IN 'OFF' POSITION.
WIRING CODE
FACTORY WIRING
HIGH VOLTAGE
LOW VOLTAGE
FIELD
WI
RING
HIGH VOLTAGE
IO
CM
Y
YL
BK
T3
COMP
T1
L2
C
T2
OUTDOOR POWER SUPPLY
SEE RATING PLATE
T1
T2
RD
YL
RD
BL
BK
BK
C
T1
L1
T2
L2
T3
L3
YL
YL
RD
FC
PU
BR
RD
LVJB
CONTROL BOX
SEE NOTE 1
PU
BR
BK
MAIN
AUX
CM
IO
EQUIPMENT GROUND
SEE NOTE 2
0140R00016P-D
SEE NOTE 1

Table of Contents

Related product manuals