EasyManua.ls Logo

Daikin DZ16 - Page 103

Daikin DZ16
112 pages
Print Icon
To Next Page IconTo Next Page
To Next Page IconTo Next Page
To Previous Page IconTo Previous Page
To Previous Page IconTo Previous Page
Loading...
103
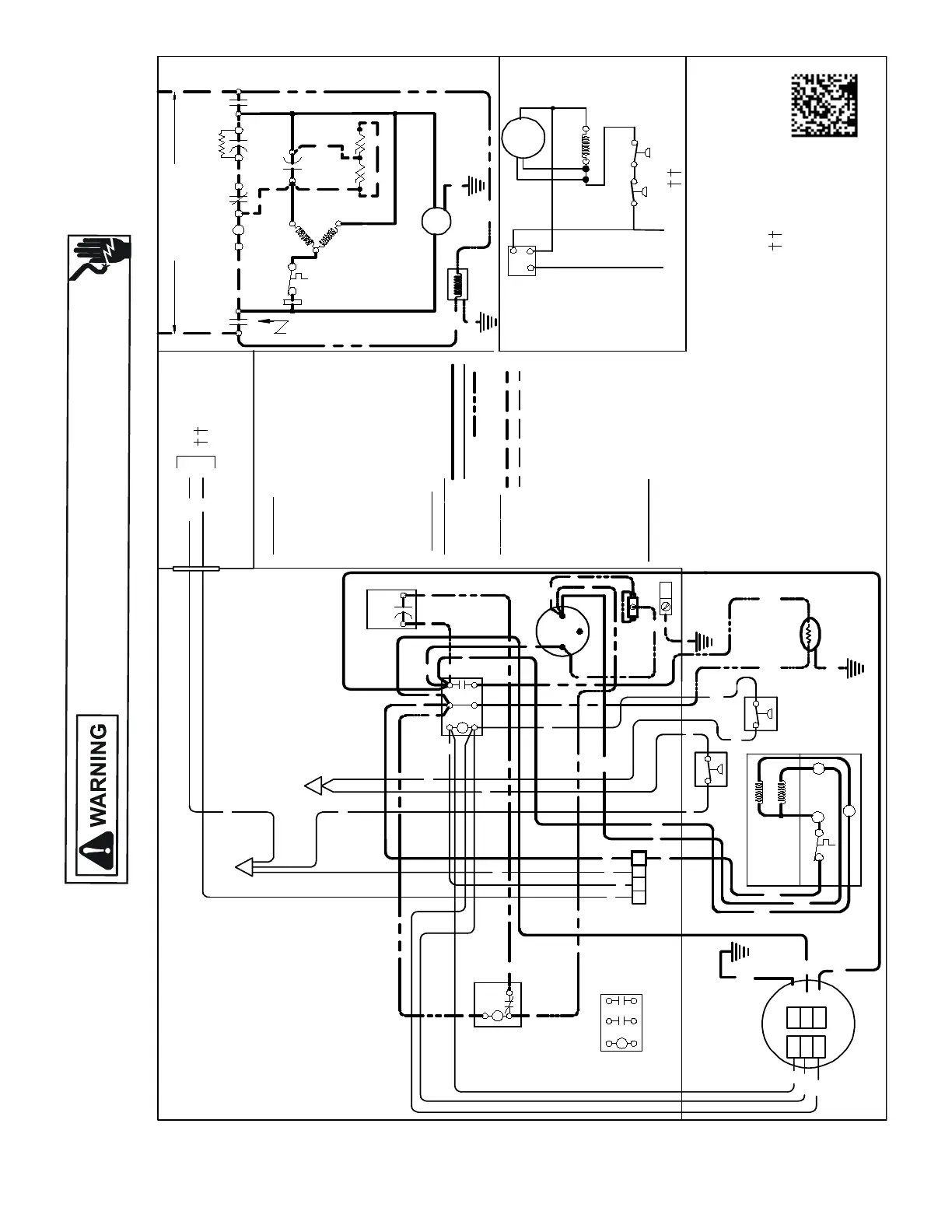
WIRING DIAGRAMS
HIGH VOLTAGE!
DISCONNECT ALL POWER BEFORE SERVICING OR INSTALLING THIS
UNIT. MULTIPLE POWER SOURCES MAY BE PRESENT. FAILURE TO
DO SO MAY CAUSE PROPERTY DAMAGE, PERSONAL INJURY OR DEATH.
Wiring is subject to change. Always refer to the wiring diagram on the unit for the most up-to-date wiring.
DX16SA0601A*
COMP
ALTERNATEDOUBLE
POLE CONTACTORONLY
IO
T1
C
M
A
I
N
R
A
U
X
5
S
SR
SA
2
1
SC
T2
C
L1
L2
(IFUSED)
CH
C
C
Y
C
BL
C
Y
LVJB
COMPONENT CODE
C --------------- CONTACTOR
CSM --------CORESENSE MODULE
CM ------------ OUTDOORFAN MOTOR
COMP --------COMPRESSOR
HPS----------- HIGH PRESSURESWITCH
IO -------------- INTERNALOVERLOAD
LVJB ----------LOW VOLTAGEJUNCTIONBOX
RCC --------- RUNCAPACITOR FORCOMPRESSOR
SA ------------- STARTASSIST
SC ------------- STARTCAPACITORFOR COMPRESSOR (OPTIONAL)
SR ------------- STARTRELAY FORCOMPRESSOR(OPTIONAL)
LPS ------------LOW PRESSURE SWITCH
CH-------------- CRANKCASE HEATER
CONTROLS SHOWNWITHTHERMOSTAT IN 'OFF' POSITION.
OUTDOORPOWER SUPPLY
SEE RATING PLATE
WIR
I
NG CODE
F
ACTORY
WI
RING
HIGH VOLTAGE
LOWVOLTAGE
OPTIONAL HIGH VOLTAGE
F
I
E
LD
W
I
R
I
NG
HIGH VOLTAGE
LOWVOLTAGE
CC
PU
YL
YL
SC
RD
BL
RD
YL
RD
RD
BKBK
BK
C
T1
L1
T2
L2
RCC
F
C
HERM
YL
YL
RD
YL
RD
YL
RD
BK
COMP
CM
BK
SR
5
2
1
BK
YL
BL
HPS
BL/PK
BL/PK
COLORCODE
BK ---------------BLACK
BL ---------------BLUE
BL/PK ----------BLUE/PINK STRIPE
BR ---------------BROWN
OR --------------- ORANGE
PU ---------------PURPLE
RD ---------------RED
WH -------------- WHITE
YL --------------- YELLOW
YL/PK---------------YELLOW/PINK STRIPE
GR/YL-----------------GREEN/YELLOWSTRIPE
GR----------------------GREEN
HPS
NOTES:
1) TO INDOORUNITLOW VOLTAGE
TERMINAL BLOCK& INDOORTHERMOSTAT.
2) STARTASSISTFACTORY EQUIPPED WHEN
REQUIRED.
3) USECOPPERCONDUCTORSONLY.
RD
SA
(IFUSED)
NOTE 2
MAIN
C
IO
R
S
AUX
COMP
IO
T1
C
M
A
I
N
R
A
U
X
5
S
SR
CSM
SA
2
1
RCC
SC
T2
C
L1
(IFUSED)
CH
C
C
S
M
C
Y
C
Y
C
BL
C
Y
LVJB
C
BK
P
C
CSM
BL
YL
RD
BK
LVJB
CONTROLBOX
SC
RD
BL
RD
PU
RD
RD
BKBK
BK
T1
L1
T2
L2
F
C
HERM
YL
YL
RD
YL
RD
YL
RD
BK
COMP
CM
BR
5
2
1
BK
YL
BL
EQUIPMENT
GROUND
BL/PK
HPS
BL/PK
BL/PK
HPS
RD
SA
(IFUSED)
NOTE 2
SEENOTE3
LPS
C
IO
R
S
AUX
0140R00288-B
YL/PK
YL/PK
LPS
Y
YL
P
YL
USEN.E.C.CLASS 2WIRE
T1
L1
T2
L2
ALTERNATEDOUBLE
POLE CONTACTOR
YL
BL/PK
YL/PK
YL/PK
BL
WH
YL
GR/YL
GND
L2
L1
GR
BK
BK
GR
BK
BK
CH
CH
CM
L2
L1
GR/YL
WH
YL
BL
CM
SEE NOTE 1
SEENOTE1

Table of Contents

Related product manuals