EasyManua.ls Logo

Daikin DZ16 - Page 90

Daikin DZ16
112 pages
Print Icon
To Next Page IconTo Next Page
To Next Page IconTo Next Page
To Previous Page IconTo Previous Page
To Previous Page IconTo Previous Page
Loading...
90
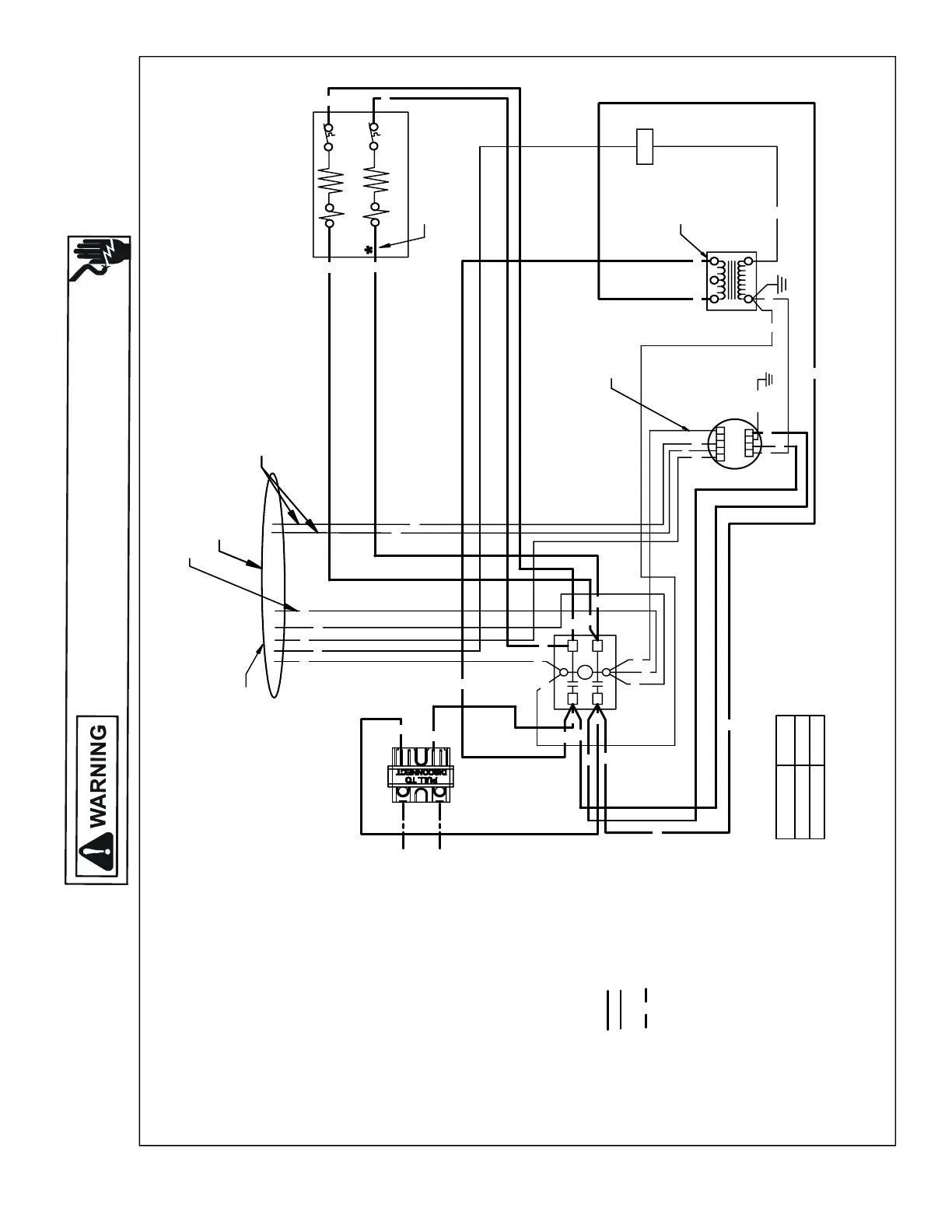
WIRING DIAGRAMS
HIGH VOLTAGE!
DISCONNECT ALL POWER BEFORE SERVICING OR INSTALLING THIS
UNIT. MULTIPLE POWER SOURCES MAY BE PRESENT. FAILURE TO
DO SO MAY CAUSE PROPERTY DAMAGE, PERSONAL INJURY OR DEATH.
Wiring is subject to change. Always refer to the wiring diagram on the unit for the most up-to-date wiring.
AWUF190*16AA
NOTES:
1. RED WIRE TO BE ON TRANSFORMER
TERMINAL "3" FOR 230 VOLTS AND ON
TERMINAL "2" FOR 208 VOLTS.
2. CONFIRM SPEED TAP SELECTED IS
APPROPRIATE FOR APPLICATION. IF SPEED
TAPS NEEDS TO BE CHANGED, CONNECT
APPROPRIATE WIRE FROM MOTOR TO
"Y" FROM THERMOSTAT/CONDENSER (SEE TABLE-1).
3. ASTERISK (*) INDICATES THAT HEATING
ELEMENT, THERMAL LIMIT, RELAY AND
INTERCONNECTING WIRES AND JUMPERS
OF HEATER #2 ARE DELETED WITH SINGLE
ELEMENT UNITS.
4. COLOR CODES:
BK - BLACK
BL - BLUE
BR - BROWN
GR - GREEN
PU - PURPLE
RD - RED
WH - WHITE
YL - YELLOW
PK - PINK
5. WIRING CODE:
FACTORY WIRING:
HIGH VOLTAGE
LOW VOLTAGE
FIELD WIRING:
HIGH VOLTAGE
6. COMPONENT CODE:
C - CONTACTOR
DISC - DISCONNECT SWITCH
EM - EVAPORATER MOTOR
F - FUSE
HTR - HEATER ELEMENT
R - RELAY
SEQ - SEQUENCER
TL - THERMAL LIMIT
TR - TRANSFORMER
7. FOR UNITS USING 3KW AND 5KW HEATERS,
WHITE WIRE WILL BE CONNECTED TO
TERMINAL 4.
BTUh
PURPLE 18000
PINK 24000
RD
PK
PK
GR
PU
PU
WH
F
12 3
54
24V
123 45
CL GN
EM
TABLE-1
MOTOR CONNECTIONS
ONLY ONE WILL BE CONNECTED
(SEE NOTE 2)
UNUSED WIRES MUST HAVE THEIR ENDS TAPED OR
CAPPED
WIRE COLOR
0140A00314-A
SEE NOTE # 3
240V
TR
HTR 1
HTR
2*
TL1
TL2*
DISC
FIELD CONNECTIONS
SEE NOTE 2
USE N.E.C CLASS 2 WIRE
SEE NOTE 1
C
L1
L2
T1
T2
BL
BR
WH
BK
RD
BK
BL
WH
WH
RD
RD
BL
RD
BK
BR
BK
BK
BK
BK
RD
RD
RD
RD
GR/YL
BL
BL
BL
BK
GR
RD
BK
BK
BK
BK
BK
RD
RD
RD
OPTIONAL
CONNECTION
SEE NOTE 7

Table of Contents

Related product manuals