EasyManua.ls Logo

Daikin EBLA11DAV3 - Page 329

Daikin EBLA11DAV3
360 pages
Print Icon
To Next Page IconTo Next Page
To Next Page IconTo Next Page
To Previous Page IconTo Previous Page
To Previous Page IconTo Previous Page
Loading...
6 | Technical data
Service manual
329
EBLA09~16DA + EDLA09~16DA
Daikin Altherma 3 M
ESIE20-06A – 2021.03
Backup heater kit
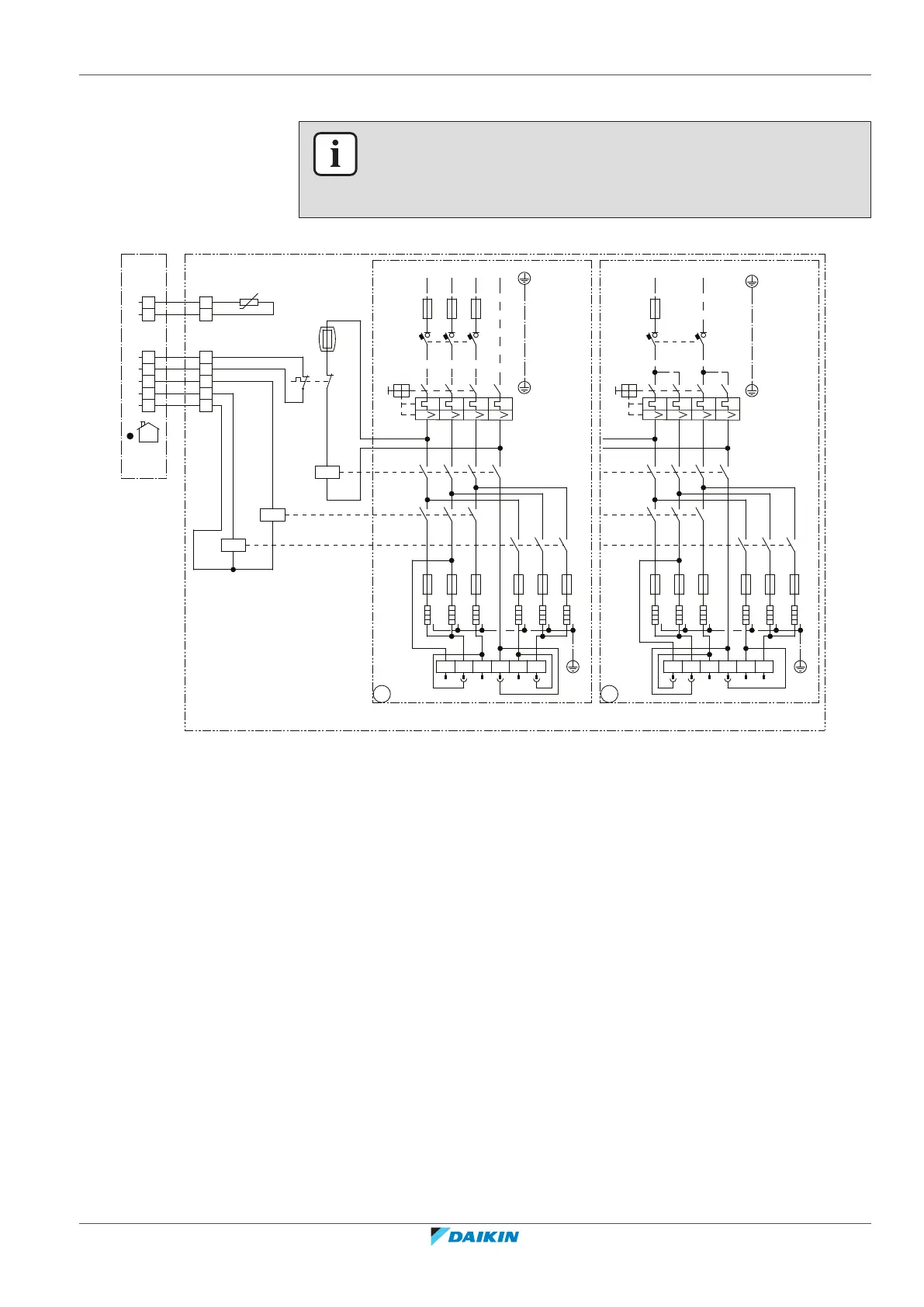
INFORMATION
The diagrams shown in this manual may be incorrect due to changes/updates to the
unit. Correct diagrams are supplied with the unit and can also be found in the
technical data book.
4D124072A
BUH Option (EKLBUHCB6W1)
Hydro
SWB
(1) Connection diagram
1N~ , 230V , 3kW or 6kW3N~ , 400V , 6kW or 9kW
K5M
K1M
K2M
12 12
2
3
4
5
1
X3M
2 3
4
3
2
1
F1T
F1T
F1T
E1H
E1H
E1H
F1T F1T
F1T
E2H
E2H
E2H
PE
Q3DI
4
3
6
5
2
1
4
3
6
5
2
1
6
5
14
13
2
1
4
3
6
5
8
7
F1B
II I I
L1 L2 L3 N
5 6
X14M
1
2 3 4
F1T
F1T
F1T
E1H
E1H
E1H
F1T F1T
F1T
E2H
E2H
E2H
5 641
X14M
4
3
2
1
PE
Q3DI
4
3
6
5
2
1
4
3
6
5
2
1
6
5
14
13
2
1
4
3
6
5
8
7
F1B
II I I
L N
1
X5M
2
R2T
- t°
7
6
X15M
2
1
X15M
8
9
10
A1
A2
K1M
A1
A2
K2M
31
32
Q1L
11
12
F1U
A1
A2
K5M
OUTDOOR

Table of Contents

Other manuals for Daikin EBLA11DAV3

Related product manuals