EasyManua.ls Logo

Daikin EWAD740-C19C-XR - Page 116

Daikin EWAD740-C19C-XR
304 pages
To Next Page IconTo Next Page
To Next Page IconTo Next Page
To Previous Page IconTo Previous Page
To Previous Page IconTo Previous Page
Loading...
General Outline ESIE10-01
1–110 Part 1 – System Outline
3
11
4
5
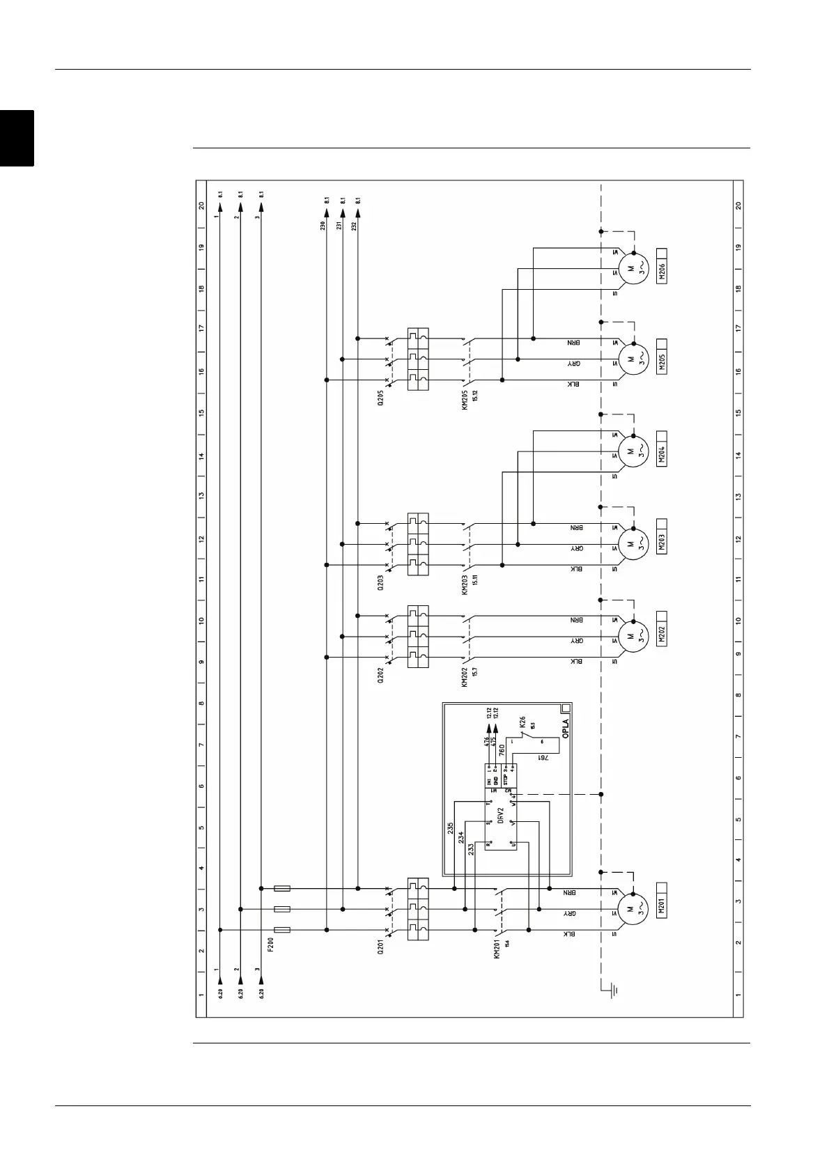
1.36.6 Circuit Fan Power Supply 2

Related product manuals