EasyManua.ls Logo

Daikin EWAD740-C19C-XR - Page 119

Daikin EWAD740-C19C-XR
304 pages
To Next Page IconTo Next Page
To Next Page IconTo Next Page
To Previous Page IconTo Previous Page
To Previous Page IconTo Previous Page
Loading...
ESIE10-01 General Outline
Part 1 – System Outline 1–113
3
1
4
5
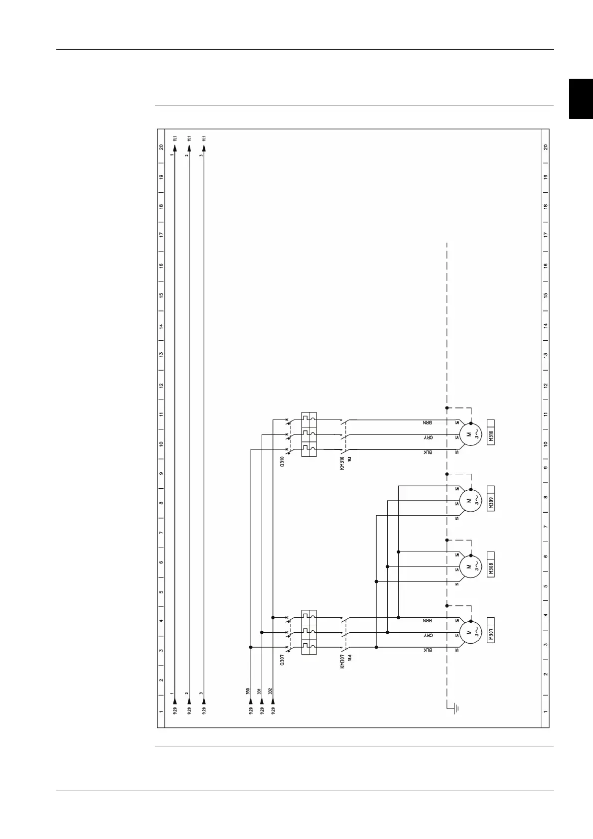
1.36.9 Circuit Fan Power Supply 3

Related product manuals