EasyManua.ls Logo

Daikin EWAD740-C19C-XR - Page 130

Daikin EWAD740-C19C-XR
304 pages
To Next Page IconTo Next Page
To Next Page IconTo Next Page
To Previous Page IconTo Previous Page
To Previous Page IconTo Previous Page
Loading...
General Outline ESIE10-01
1–124 Part 1 – System Outline
3
11
4
5
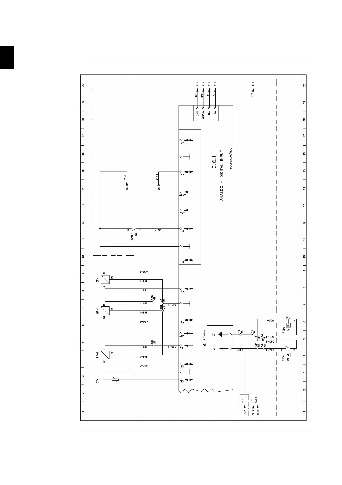
1.36.20 Expansion Control Compressor 1

Related product manuals