EasyManua.ls Logo

Daikin FBQ50D - Piping Diagrams; Rzqg-L9 V1

Daikin FBQ50D
215 pages
Print Icon
To Next Page IconTo Next Page
To Next Page IconTo Next Page
To Previous Page IconTo Previous Page
To Previous Page IconTo Previous Page
Loading...
Piping Diagrams ESIE15-13C
198 Appendix
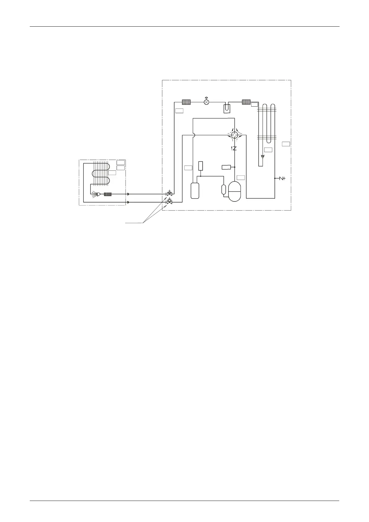
1. Piping Diagrams
1.1 RZQG-L9V1
Pair application
Notes:
1. The pipes between the branch and the indoor units should have the same size as the indoor
connections.
2. The check valve is only present in following models: RZQG71L, RZQSG100L and
RZQSG125L.
* This thermistor is near the el. compo. box.
*
R4T
R3T
R6T
R2T
R1T
R5T
R2T
R3T
R1T
Filter
Filter
Filter
(C) Four way valve
Field piping ø9.5
C1220T-O
Field piping ø15.9
Accumulator
PCB Cooling
Distributor
(A) Compressor
C1220T-O
Indoor unit
Outdoor unit
Stop valve
(with service port 5/16" flare)
Outdoor
heat exchanger
Indoor
heat
exchanger
(B) Electronic
expansion valve
Compressor
Accumulator
Pressure
switch
(high)
Service
port
(5/16"
flare)
Check valve
Pressure
switch
(low)

Table of Contents

Related product manuals