EasyManua.ls Logo

Daikin FCRN60EXV1 - Page 13

Daikin FCRN60EXV1
73 pages
Print Icon
To Next Page IconTo Next Page
To Next Page IconTo Next Page
To Previous Page IconTo Previous Page
To Previous Page IconTo Previous Page
Loading...
10
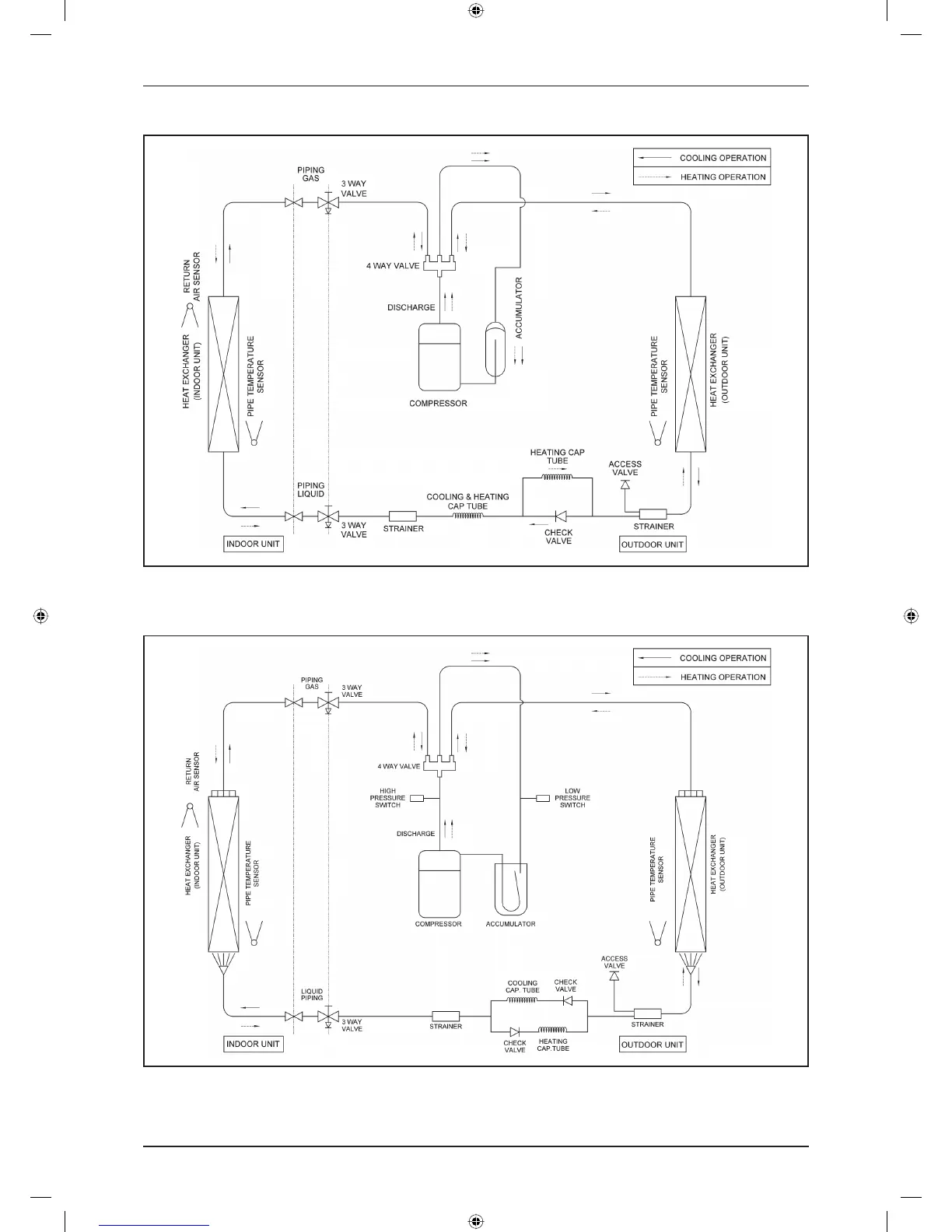
Application Information
Model: FCQN71EXV1 – RQ71CXV1
Model: FCQN100EXV1 – RQ90DXV1 / FCQN100EXV1 – RQ100DXV1 / FCQN100EXV1 – RR100DXY1 /
FCQN125EXV1 – RR125DXY1
DAIKIN_FFRN.indb 10DAIKIN_FFRN.indb 10 12/27/2012 9:28:08 AM12/27/2012 9:28:08 AM

Other manuals for Daikin FCRN60EXV1

Related product manuals