EasyManua.ls Logo

Daikin FFRN25CXV1 - Page 13

Daikin FFRN25CXV1
73 pages
Print Icon
To Next Page IconTo Next Page
To Next Page IconTo Next Page
To Previous Page IconTo Previous Page
To Previous Page IconTo Previous Page
Loading...
10
Application Information
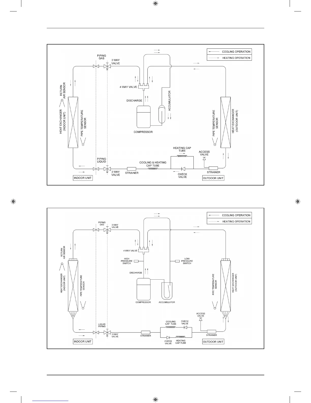
Model: FCQN71EXV1 – RQ71CXV1
Model: FCQN100EXV1 – RQ90DXV1 / FCQN100EXV1 – RQ100DXV1 / FCQN100EXV1 – RR100DXY1 /
FCQN125EXV1 – RR125DXY1
DAIKIN_FFRN.indb 10DAIKIN_FFRN.indb 10 12/27/2012 9:28:08 AM12/27/2012 9:28:08 AM

Related product manuals