EasyManua.ls Logo

Daikin FHC-E - Model

Daikin FHC-E
72 pages
Print Icon
To Next Page IconTo Next Page
To Next Page IconTo Next Page
To Previous Page IconTo Previous Page
To Previous Page IconTo Previous Page
Loading...
54
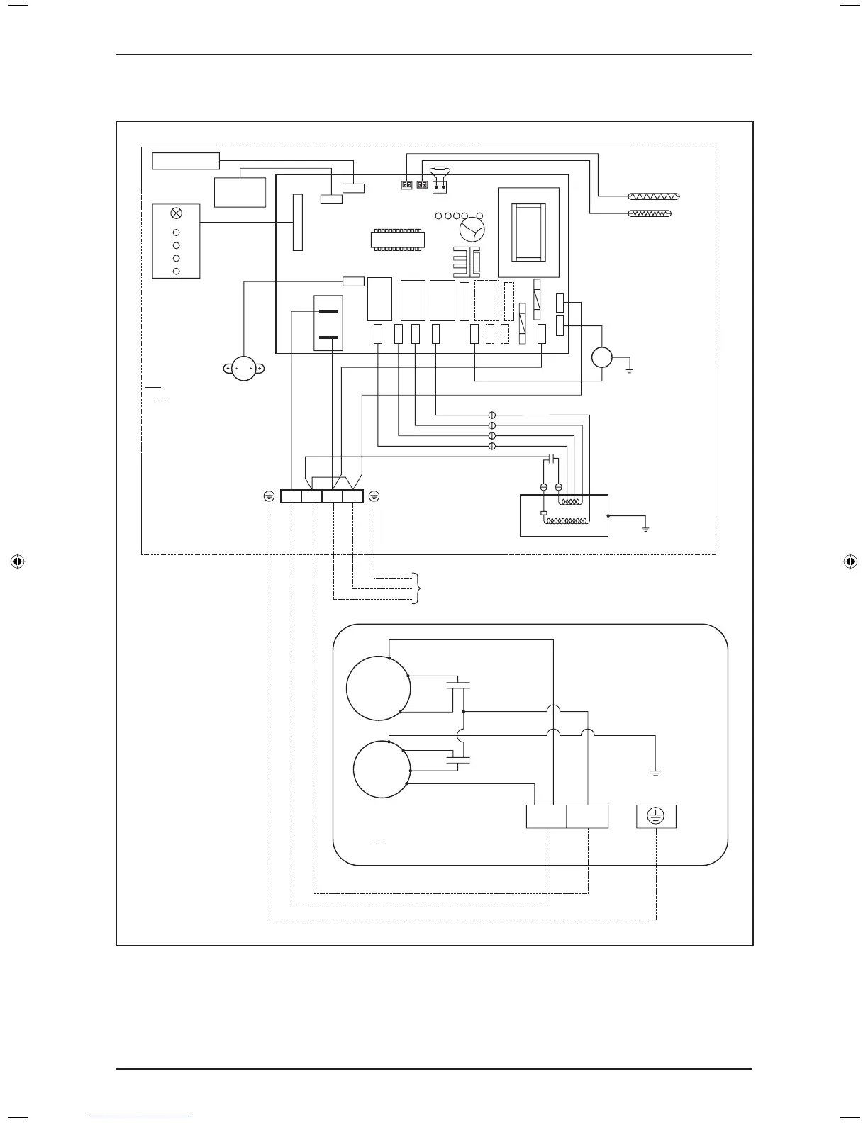
Wiring Diagram
Indoor Unit
Model: FHC20/25/28EXV1
Outdoor Unit
Model: R20/25/28CXV1
WHITE
RED
RED
PURPLE
RED
BLUE
RED
BLUE
BLUE
PINK
CN STP
TRANSFORMER
COMP.
COMP. N1 L N
HIGH
CN_DSP
CN_WIR
T FULL
ID
OD
ROOM
MED
LOW
SILENT
WTP
OF
4WV
LIVE
N2
N1
L
BROWN
ORANGE
PURPLE
PINK
BROWN
ORANGE
PURPLE
FS
G/Y
DP
INDOOR AIR SENSOR
FAN MOTOR
INDOOR COIL SENSOR
FLOAT SWITCH
KEY:
FIELD SUPPLY WIRING.
AS - AIR SWING MOTOR.
DP - DRAIN PUMP.
PART NO: 08 02 4 120171A
220-240V/1PH/50Hz
AS
DISPLAY BOARD
WIRED
CONTROLLER
G/Y
A.C I.C
M.C
FL
FM
FH
BLUE
RED
BLACK
CAPACITOR
CAPACITOR
BLUE
BLUE
BLUE
KEY:
CM - COMPRESSOR MOTOR
PART NO. : 08 02 4 072886
FM - FAN MOTOR
- FIELD SUPPLY WIRING
GREEN/YELLOW
BLUE
C
S
R
CM
FM
COMP N
DAIKIN_FF_FHC.indb 54DAIKIN_FF_FHC.indb 54 9/27/2012 2:05:01 PM9/27/2012 2:05:01 PM

Related product manuals