EasyManua.ls Logo

Daikin FTK50HVEC - Page 84

Daikin FTK50HVEC
410 pages
Print Icon
To Next Page IconTo Next Page
To Next Page IconTo Next Page
To Previous Page IconTo Previous Page
To Previous Page IconTo Previous Page
Loading...
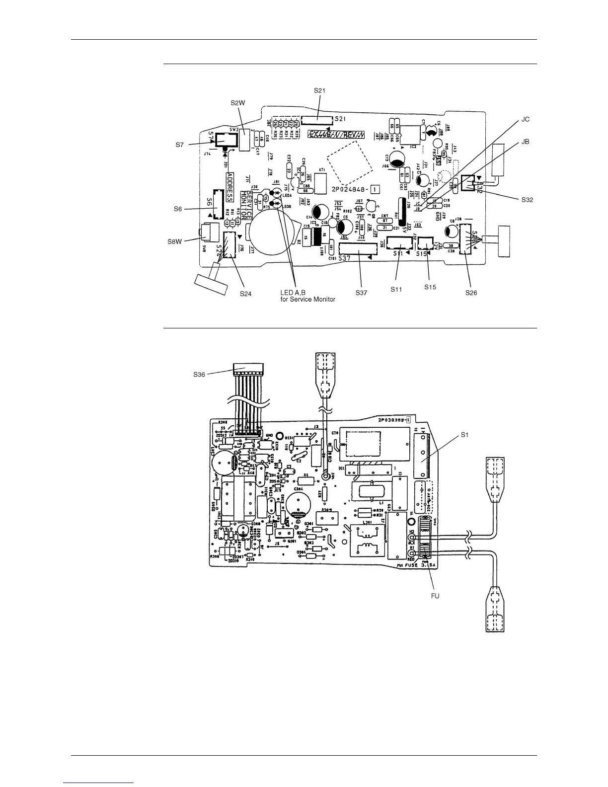
Si18-201 Printed Circuit Board Connector Wiring Diagram and Name
Printed Circuit Board Connector Wiring Diagram and Name 71
Printed Circuit
Board (1)
(Control PCB)
Printed Circuit
Board (2)
(Power Supply
PCB)

Table of Contents

Related product manuals