EasyManua.ls Logo

Daikin FTKD60JVE - Page 390

Daikin FTKD60JVE
410 pages
Print Icon
To Next Page IconTo Next Page
To Next Page IconTo Next Page
To Previous Page IconTo Previous Page
To Previous Page IconTo Previous Page
Loading...
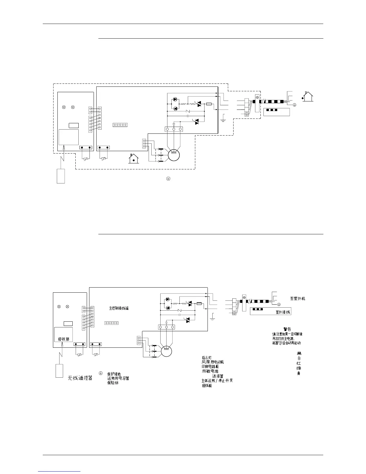
Si18-201 Wiring Diagrams
Appendix 377
CDK25 / 35 / 50 / 60HAVE (A) , CDK25 / 35 / 50 / 60HAVET
CDK25 / 35 / 50 / 60HAVEC
RECEIVER
SIGNAL
LED
PCB2
H1P
CONTROLLER
S1W
LED
H2P
WIRELESS
REMOTE
RTH1
R1T
t˚
S27
S25
S26
S32
R2T
t˚
S21
PCB1
(
TERMINAL
CENTRALIZED
indoor
FOR
CONTROL
S7
X11A
)
S1
FU :FUSE
C70:RUNNING CAPACITOR
C70
:PROTECTIVE EARTH
1~
M
M1F
3.15A
FU
H2
H3
H1
H1P~H2P :PILOT LAMP
R1T~R2T :THERMISTOR
X1M :TERMINAL STRIP
M1F :FAN MOTOR
PCB1~PCB2 :PRINTED CIRCUIT BOARD
S1~S32
,
RTH1
,
X11A:CONNECTOR
S1W :OPERATION SWITCH
(
SW7
)
GRN
WHT
RED
BLK
/
YLW
X1M
1
2
3
NOTE
THE
TURNED
RESTART
ON AGAIN.
MAIN
FIELD WIRING.
THAT
OFF
CAUTION
AUTOMATICALLY
POWER
OPERATION
AND THEN
SUPPLY
1
3
2
WILL
BACK
3D024412
outdoor
IS
IF
RECEIVER
SIGNAL
H1P
LED
PCB2
S1W
LED
H2P
CONTROLLER
WIRELESS
REMOTE
RTH1
R1T
t˚
S25
S27
S26
R2T
S32
t˚
S21
PCB1
(
TERMINAL FOR
CENTRALIZED CONTROL
C70:
FU :
:
S7
RUNNING CAPACITOR
PROTECTIVE EARTH
FUSE
X11A
)
S1
C70
1~
M
M1F
H1P~H2P :
M1F :
PCB1~PCB2:
R1T~R2T :
S1~S32,RTH1,X11A:
S1W :
X1M :
3.15A
FU
H2
H3
H1
NOTE THAT OPERATION WILL
RESTART AUTOMATICALLY IF
THE MAIN POWER SUPPLY IS
TURNED OFF AND THEN BACK
ON AGAIN.
GRN
BLK
RED
WHT
/
YLW
CAUTION
X1M
1
2
3
PILOT LAMP
FAN MOTOR
PRINTED CIRCUIT BOARD
THERMISTOR
CONNECTOR
OPERATION SWITCH
(
SW7
)
TERMINAL STRIP
FIELD WIRING.
1
3
2
TO OUTDOOR UNIT
GRN :
RED :
BLK :
YLW :
WHT :
3D024410

Table of Contents