EasyManua.ls Logo

Daikin FTXS20D3VMW - Page 338

Daikin FTXS20D3VMW
355 pages
Print Icon
To Next Page IconTo Next Page
To Next Page IconTo Next Page
To Previous Page IconTo Previous Page
To Previous Page IconTo Previous Page
Loading...
SiENBE12-713 Piping Diagrams
Appendix 327
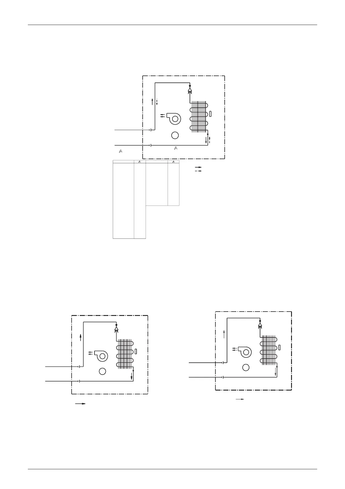
1.1.2 Duct Connected Type
1.1.3 Floor / Ceiling Suspended Dual Type
FDKS25CAVMB, FDKS35CAVMB, FDKS50CVMB, FDKS60CVMB, FDKS25EAVMB, FDKS35EAVMB
FDXS25CAVMB, FDXS35CAVMB, FDXS50CVMB, FDXS60CVMB, FDXS25EAVMB, FDXS35EAVMB
FIELD PIPING
FIELD PIPING
(
CuT
)
(
6.4CuT
)
INDOOR UNIT
SIROCCO FAN
(
6.4CuT
)
(
CuT
)
FAN MOTOR
M
REFRIGERANT FLOW
HEAT EXCHANGER
COOLING
HEATING
CDKS35CVMB
CDXS25CVMA
CDXS35CVMA
FDXS25CVMB
FDXS35CVMB
FDXS25EAVMB
FDXS35EAVMB
CDKS25CVMA
CDKS50CVMA
CDKS60CVMA
CDXS50DVMT
CDXS60DVMT
CDKS50DVMT
CDKS60DVMT
CDKS35CVMA
CDXS25DVMT
CDXS35DVMT
CDKS25DVMT
CDKS35DVMT
CDXS35CVMB
CDKS25CVMB
CDXS25CVMB
CDKS60CVMB
CDXS50CVMA
CDXS60CVMA
CDXS60CVMB
CDKS50CVMB
CDXS50CVMB
12.7
9.5
FDKS25CVMB
FDKS35CVMB
FDXS25CAVMB
FDXS35CAVMB
FDKS25CAVMB
FDKS35CAVMB
FDKS25EAVMB
FDKS35EAVMB
FDXS50CVMB
FDXS60CVMB
FDKS50CVMB
FDKS60CVMB
CDXS25EAVMA
CDXS35EAVMA
CDKS25EAVMA
CDKS35EAVMA
CDXS25EAVMT
CDXS35EAVMT
CDKS25EAVMT
CDKS35EAVMT
FDXS35CVMA
CDXS25EV2C
CDXS35EV2C
CDXS50EV2C
CDXS60EV2C
FDXS25CVMA
FDXS50CVMA
FDXS60CVMA
THERMISTOR
ON HEAT
EXCH.
4D045449J
FLKS25BAVMB, FLKS35BAVMB FLKS50BAVMB, FLKS60BAVMB
FIELD PIPING
FIELD PIPING
(
9.5CuT
)
(
6.4CuT
)
REFRIGERANT FLOW
COOLING
INDOOR UNIT
(
6.4CuT
)
SIROCCO FAN
(
9.5CuT
)
FAN MOTOR
M
HEAT EXCHANGER
THERMISTOR
ON HEAT
EXCH.
4D034012E
FIELD PIPING
(
6.4CuT
)
FIELD PIPING
(
12.7CuT
)
INDOOR UNIT
(
9.5CuT
)
(
12.7CuT
)
SIROCCO FAN
FAN MOTOR
M
HEAT EXCHANGER
REFRIGERANT FLOW
COOLING
THERMISTOR
ON HEAT
EXCH.
4D048723A

Table of Contents

Other manuals for Daikin FTXS20D3VMW

Related product manuals