EasyManua.ls Logo

Daikin FWPMM7AV1 - Page 76

Daikin FWPMM7AV1
86 pages
Print Icon
To Next Page IconTo Next Page
To Next Page IconTo Next Page
To Previous Page IconTo Previous Page
To Previous Page IconTo Previous Page
Loading...
73
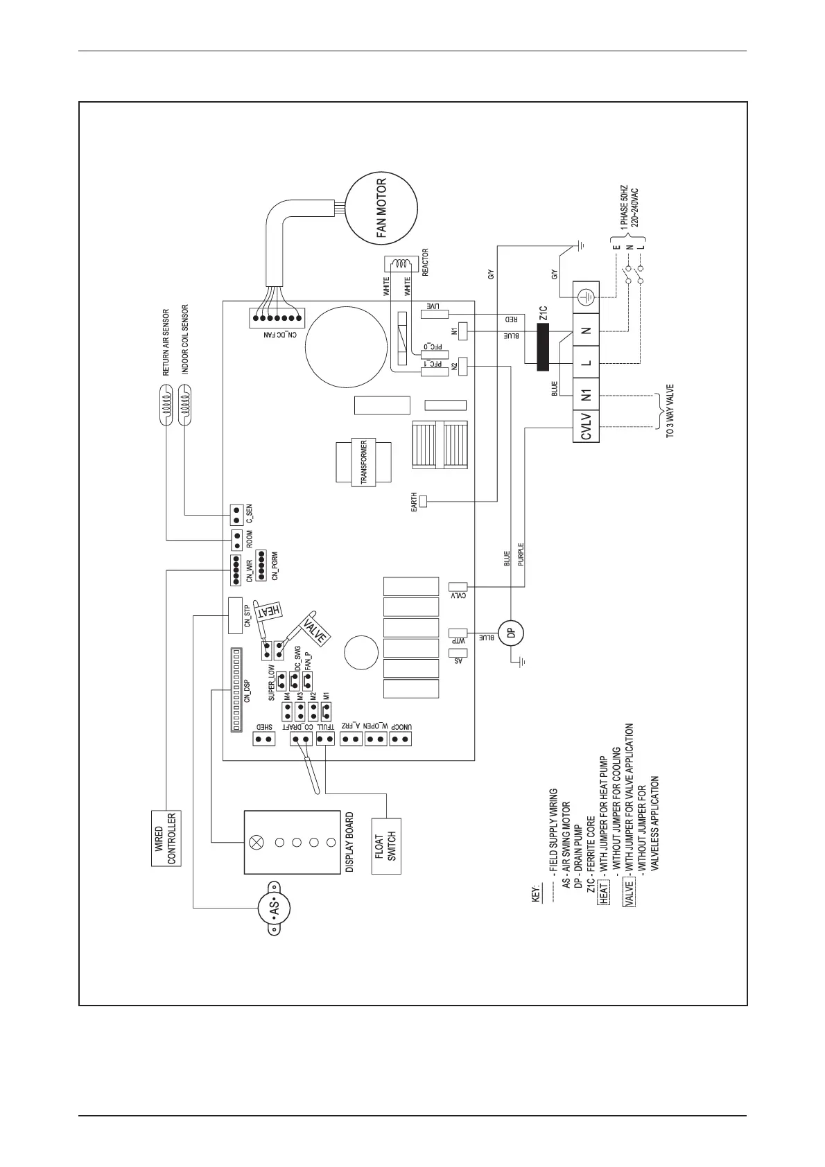
Wiring Diagrams
Model: FWKE11E

Other manuals for Daikin FWPMM7AV1

Related product manuals