EasyManua.ls Logo

Daikin FXFA20A2VEB - Page 59

Daikin FXFA20A2VEB
88 pages
Print Icon
To Next Page IconTo Next Page
To Next Page IconTo Next Page
To Previous Page IconTo Previous Page
To Previous Page IconTo Previous Page
Loading...
16 | Unit installation
Installer and user reference guide
59
FXFA20~125A2VEB
VRV system air conditioner
4P599624-1A – 2020.06
d Large sealing pad (accessory)
e Insulation piece (drain pipe) (accessory)
f Drain piping (field supply)
To check for water leaks
The procedure differs depending on whether installation of the system is already
completed. When installation of the system is not yet completed, temporarily
connect the user interface and power supply to the unit.
When installation of the system is not yet completed
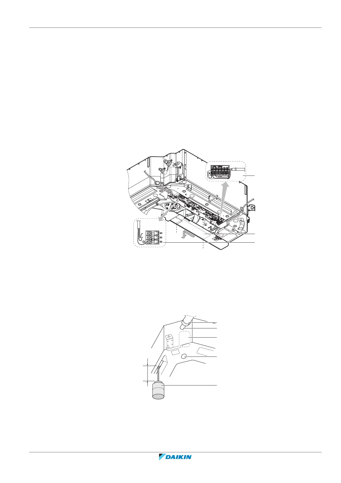
1 Temporarily connect electrical wiring.
Remove the service cover (a).
Connect the user interface (b).
Connect the power supply (c).
Reattach the service cover (a).
b
a
c
N L
a Service cover with wiring diagram
b User interface terminal block
c Power supply terminal block
2 Turn ON the power.
3 Start fan only operation (see the reference guide or the service manual of the
user interface).
4 Gradually pour approximately 1 l of water through the air discharge outlet,
and check for leaks.
≥100 mm
e
d
c
b
a
a Plastic watering can
b Service drain outlet (with rubber plug). Use this outlet to drain water from the drain pan
c Drain pump location
d Drain pipe connection
e Drain pipe
5 Turn OFF the power.
6 Disconnect the electrical wiring.

Table of Contents

Other manuals for Daikin FXFA20A2VEB

Related product manuals