EasyManua.ls Logo

Daikin MicroTech III - Menu Descriptions: Quick Menu Details; Quick Menu Item Descriptions

Daikin MicroTech III
42 pages
Print Icon
To Next Page IconTo Next Page
To Next Page IconTo Next Page
To Previous Page IconTo Previous Page
To Previous Page IconTo Previous Page
Loading...

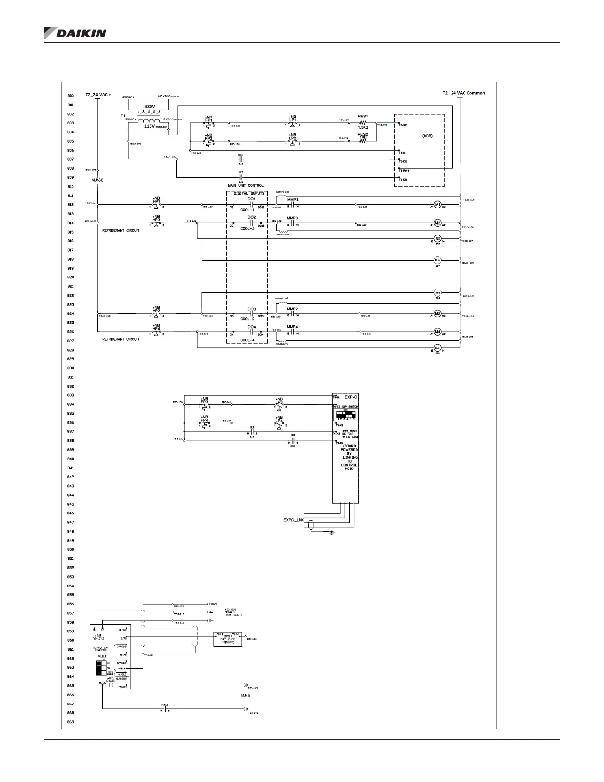
www.DaikinApplied.com 21 IM 1285-4 • MICROTECH III
Figure 27: 800s Wiring Diagram

Other manuals for Daikin MicroTech III

Related product manuals