EasyManua.ls Logo

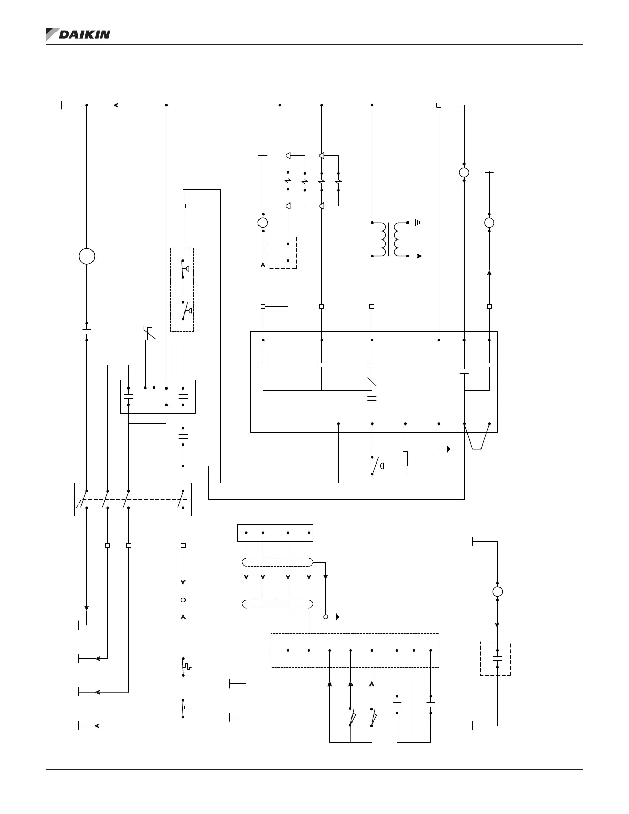
Daikin RCS 015D - Wiring Diagrams (continued); Figure 66: HTD Gas Burner Schematic

Daikin RCS 015D
152 pages
Print Icon
To Next Page IconTo Next Page
To Next Page IconTo Next Page
To Previous Page IconTo Previous Page
To Previous Page IconTo Previous Page
Loading...
WIrIng dIagraMs
www.DaikinApplied.com 63 IM 893-10 • ROOFPAK SINGLEZONE UNITS
Figure 66: HTD Gas Burner Schematic
T1 _N
6000 V
IT
115VAC
R2 2
5 (L1)
4
302
F
L2G
3k1
6k1
FD
FS G
8
6
9
017
4k1
2k2
1K1 1K2 1K5
CO M NO
AS
R2 0
2 1
4 5
8 7
11
10
S3
T2_115 VAC/
268
HL22
SIG_ 1/ 427
PL19
1
PL 16
1
PL16
2
PL19
3
TB 3_174
10
PL 19
2
5 9
1
3
5
13 14
PL19
4
NB
R2 4
T1_N/ 16 8
PL19_5
13 14
S1 _1/201
M29
2 4
M29
1 3
GV4A
GV4B
GV1A
8
9
BM
4
6
SIG_ 2/ 427
PL 18
6
T1 N/ 16 8
LP5
R W
HP5
R B
optional
T3 T2
CO M NO
FA N
LI MIT
FL C
T7
T8
CO M NO
X7
EXP B
M
X2
X3
X1
T3_24 VAC
M
R2 2
5 9
GR D
PL18
3
M
X4
R2 4
5 9
PL18
4
PL18
5
+
VM1
-
T2
T1
T3 _N
R2 0
13 14
DO1
203E
C1 DO 1
T2_115 VAC/
268
T1_N/ 168
EXP B
168A
PL18_8
HL23
PL19
9
1 2 1 2
LS 1
LS 2
PL 19
6
PL 19
7
PL19
8
CO M NO
CO M NO
DO2
EXP B
GV1B
PL18
2
PL18
1
temp sensor
Typical Sequence of Operation
When 120V power is furnished through the system on/off switch (S1), through the burner on/off switch (S3), and through the high limit control (FLC), terminal #6 on the flame
safeguard (FSG) is po wered on a call for heat. Whenever power is restored to the flame safeguard, the flame safeguard will go
through a 10 second initiation period before the
prepurge period will begin. The burner air control valve will be at minimum position during off cycles. Upon a call for heat or any other time that a prepurge cycle will occur, the

Table of Contents

Related product manuals