EasyManua.ls Logo

Daikin REQ125B7W1B - Piping Diagram

Daikin REQ125B7W1B
34 pages
Print Icon
To Next Page IconTo Next Page
To Next Page IconTo Next Page
To Previous Page IconTo Previous Page
To Previous Page IconTo Previous Page
Loading...
37
6
Split Sky Air • Outdoor Units
23
Outdoor Units • R-410A • REQ-B7
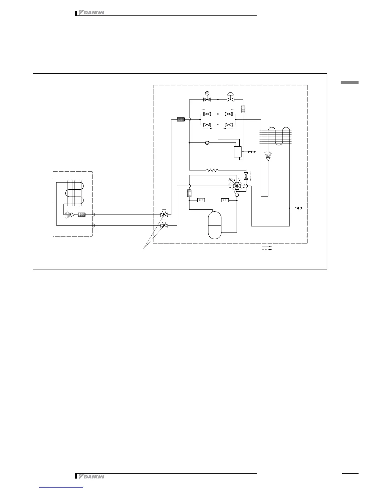
6 Piping diagram
3TW26325-1
REQ71125B7 (Pair)
Indoor unit
Field piping J15.9 C122OT-O
Field piping J9.5 C122OT-O
Low pressure
switch
Heat exchanger
Filter
Stop valve
(with service port 1/4 flare)
Solenoid valve
Filter
Electronic expansion
valve
Filter
4-way valve
Compressor
Receiver
High pressure
switch
Service
port 5/16
Heat exchanger
Muffler
One way valve
One way valve One way valve
Filter
Outdoor unit
O Check valve L Flare connection M Screw connection N Flange connection Z Pinched pipe P Spinned pipe
Heating
Cooling
One way valve
One way valve
Strainer
Capillary tube
Service
port 5/16

Other manuals for Daikin REQ125B7W1B

Related product manuals