EasyManua.ls Logo

Dalla Corte STUDIO - Connections - Idric connection version

Dalla Corte STUDIO
51 pages
Print Icon
To Next Page IconTo Next Page
To Next Page IconTo Next Page
To Previous Page IconTo Previous Page
To Previous Page IconTo Previous Page
Loading...
46 |
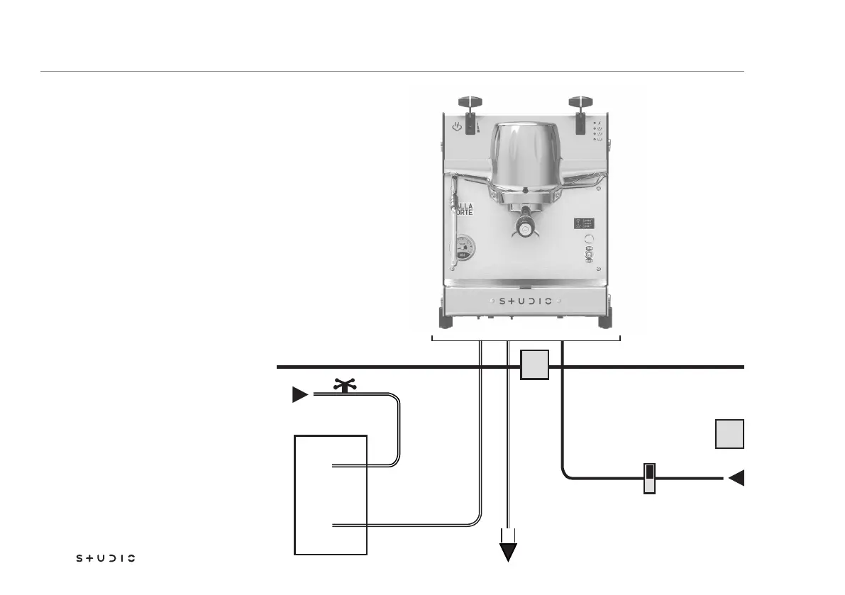
LEGEND
1 Water tap
2 Flexible water hoses
3 Water softener (optional)
4 Drain hose
5 Drain siphon
6 Electric supply cable
7 Single phase electric
SCHUKO plug 16A
A Hole on support panel
B Under-counter space
Fig.1a
Connections - Idric connection version
1
2
5
4 6
B
7
A
3

Related product manuals