EasyManua.ls Logo

Dalla Corte STUDIO - Page 45

Dalla Corte STUDIO
51 pages
Print Icon
To Next Page IconTo Next Page
To Next Page IconTo Next Page
To Previous Page IconTo Previous Page
To Previous Page IconTo Previous Page
Loading...
214 |
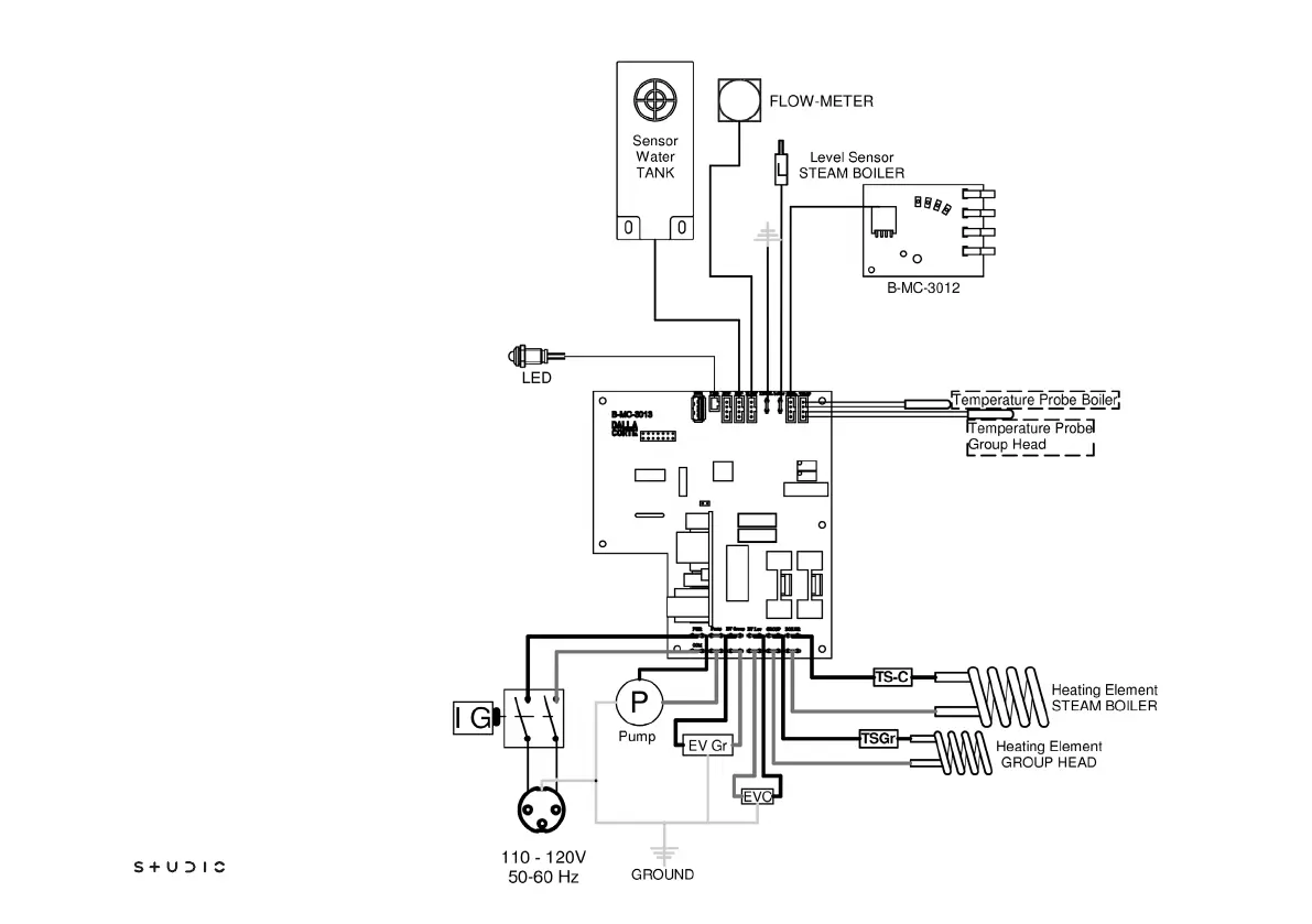
Schema elettrico
Wiring diagram
Schaltplan
Esquema eléctrico
Schéma électrique
V110-120 Hz 50-60

Related product manuals