EasyManua.ls Logo

Danfoss AKS 38 - Page 3

Danfoss AKS 38
Print Icon
To Next Page IconTo Next Page
To Next Page IconTo Next Page
To Previous Page IconTo Previous Page
To Previous Page IconTo Previous Page
Loading...
© Danfoss A/S (MWA), 2015-02 DKRCI.PI.GD0.A3.ML / 520H4521 3
DIN plug
DIN plug
DK
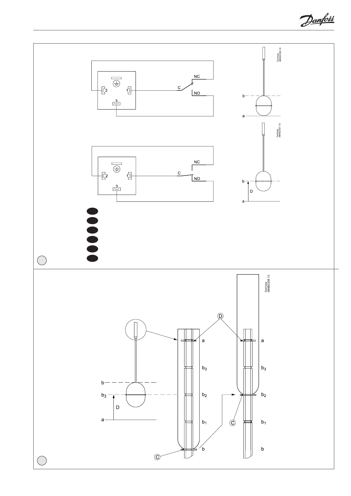
Dierens (D) = Variabel mellem 12,5 mm (1/2”) og 50 mm (2”) i trin à 12,5 mm (1/2”).
GB
Dierential (D) = Variable between 12.5 mm (½") to 50 mm (2") in 12. 5 mm (½") increments.
D
Dierenzial (D) = variabel zwischen 12,5 mm (½”) und 50 mm (2”) in Stufen von 12,5 mm (½”).
F
Diérentiel (D) = Variable de 12,5 mm (½”) à 50 mm (2”) par pas de 12,5 mm (½”).
E
Diferencial (D) = Variable entre 12mm y 50 mm (½” a 2”) con incrementos de 12 mm (½”).
I
Dierenziale (D) = variabile tra 12.5 mm e 50 mm (da ½” a 2”) con incrementi di 12 mm (½”)
8
9

Related product manuals