EasyManua.ls Logo

Danfoss Icon Master - Page 3

Danfoss Icon Master
12 pages
Print Icon
To Next Page IconTo Next Page
To Next Page IconTo Next Page
To Previous Page IconTo Previous Page
To Previous Page IconTo Previous Page
Loading...
Application Guide Expansion Module for Danfoss Icon™ Master
© Danfoss | FEC | 2019.02 | 3
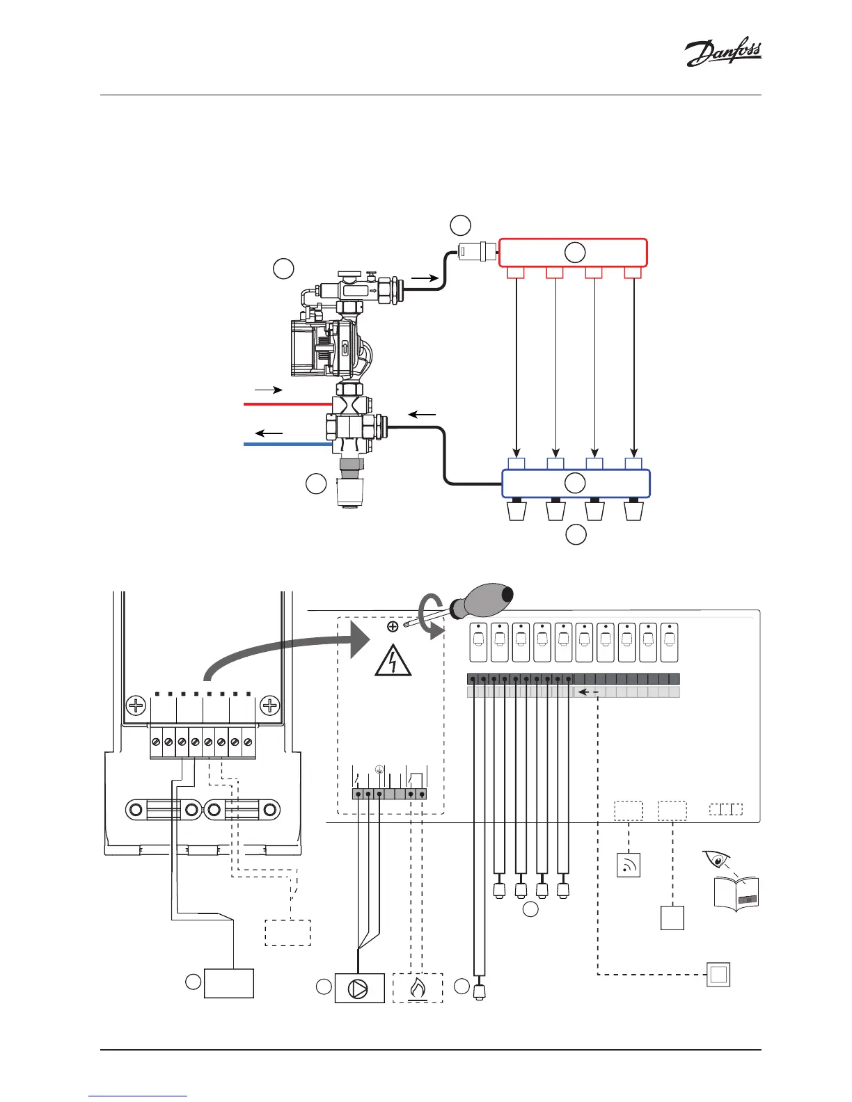
VAMBA202 | 088N2101 02
Application 0002
M M M M
1
2
2
3
Danfoss
4
5
ACTUATOR OUTPUTS - 24V
22˚C
M1 M2 M3 M4 M5
LN
LN
PWR 1
PWR 2
RELAY
RADIO
MODULE
APP
MODULE
LINK MASTER
3
Wi-Fi
GREEN/YELLOW
BLUE
BROWN
1
5
GUIDE
Output 1 !
M6 M7 M8 M9
M10
Global away
(Switch or
timer)
PWR3 IN 3IN 2IN 1
PT
1000
24
VDC
ESM-11
(PT-1000)
4

Related product manuals