EasyManua.ls Logo

Danfoss VLT 2040 - Functional Diagram VLT 2020-2060 Three-Phase 380-460 V

Danfoss VLT 2040
110 pages
Print Icon
To Next Page IconTo Next Page
To Next Page IconTo Next Page
To Previous Page IconTo Previous Page
To Previous Page IconTo Previous Page
Loading...
MG.20.B6.02 – VLT is a registered Danfoss trademark
VLT
®
2000 Series
28
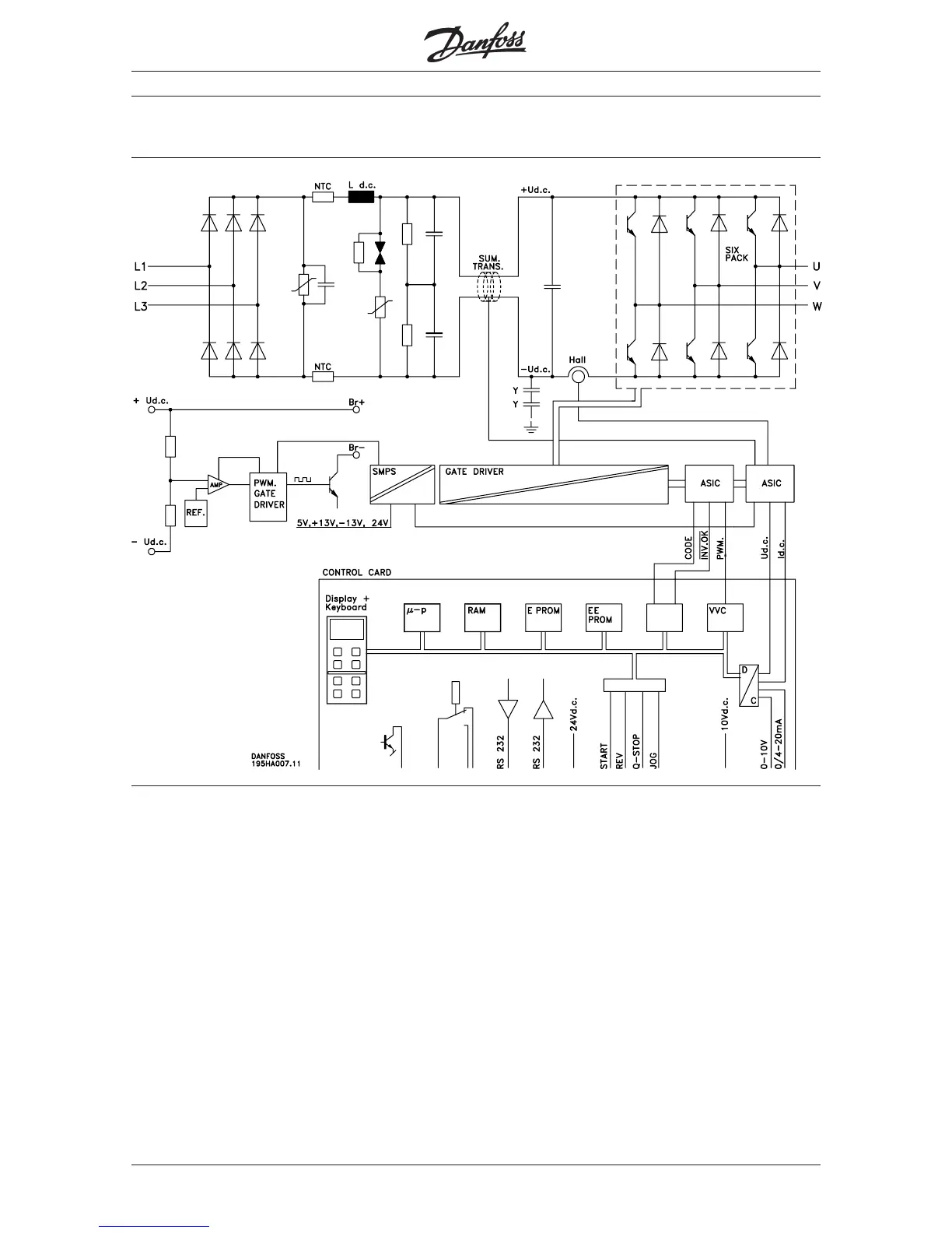
How the VLT works
Functional diagram VLT 2020-2060 three-phase 380-460 V

Table of Contents

Related product manuals