EasyManua.ls Logo

Danfoss VLT 3022 - Page 19

Danfoss VLT 3022
158 pages
Print Icon
To Next Page IconTo Next Page
To Next Page IconTo Next Page
To Previous Page IconTo Previous Page
To Previous Page IconTo Previous Page
Loading...
18 MG.30.A7.02 - VLT
®
is a registered Danfoss trademark
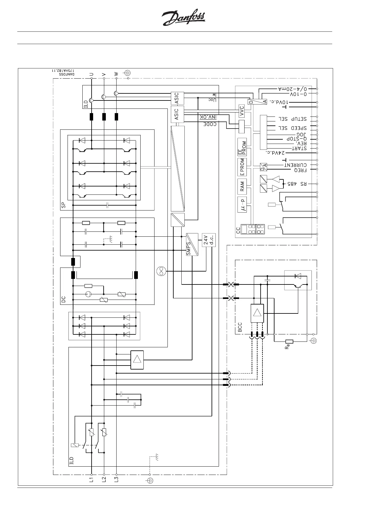
Function diagram for VLT
®
type 3008, 385/415 V
Product range
Artisan Technology Group - Quality Instrumentation ... Guaranteed | (888) 88-SOURCE | www.artisantg.com

Related product manuals