EasyManua.ls Logo

Danfoss VLT 3052 - Page 18

Danfoss VLT 3052
158 pages
Print Icon
To Next Page IconTo Next Page
To Next Page IconTo Next Page
To Previous Page IconTo Previous Page
To Previous Page IconTo Previous Page
Loading...
17MG.30.A7.02 - VLT
®
is a registered Danfoss trademark
Product range
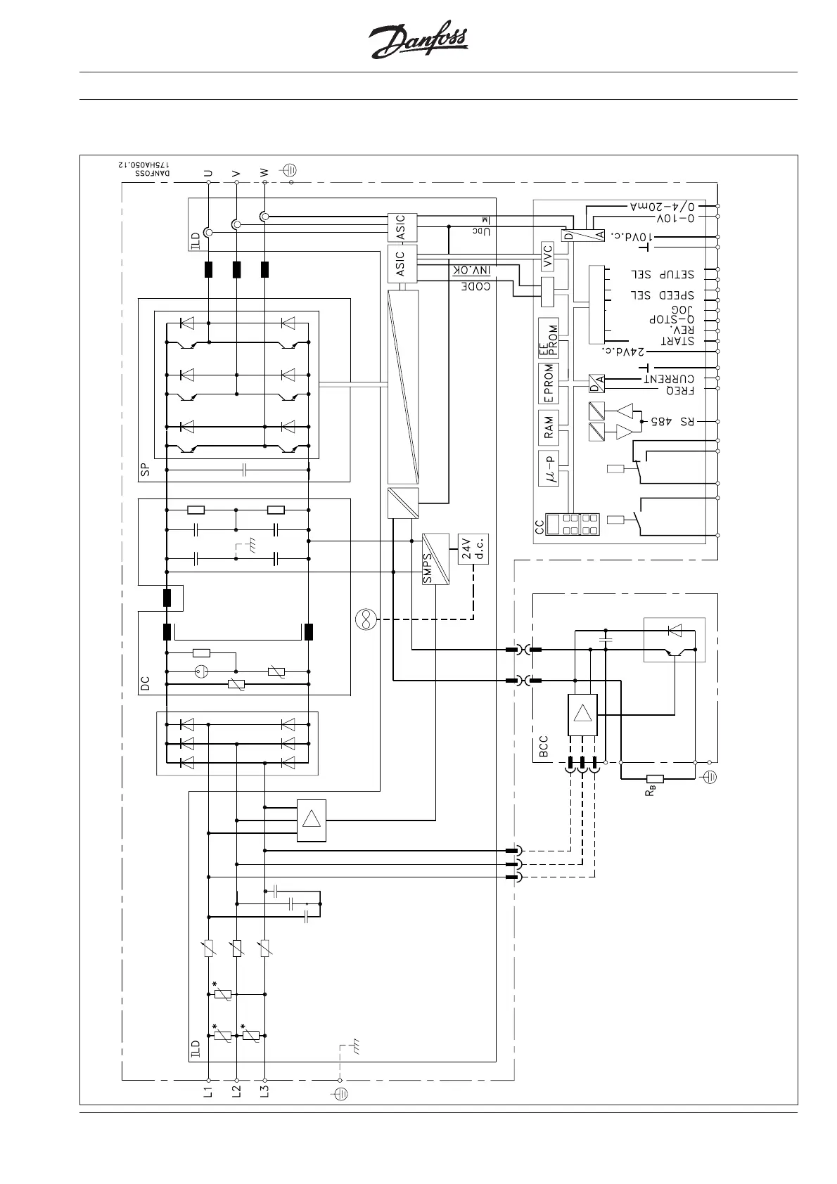
Function diagram for
VLT
®
type 3002 - 3006 380/415 V, VLT
®
type 3002 - 3008 440/500 V and VLT
®
type 3002 - 3004 200/230 V
*) Only 220/230 V and 440/500 V.
Artisan Technology Group - Quality Instrumentation ... Guaranteed | (888) 88-SOURCE | www.artisantg.com

Other manuals for Danfoss VLT 3052

Related product manuals