EasyManua.ls Logo

Dannmar D-10/ACX - CX Assembly Diagram

Default Icon
52 pages
Print Icon
To Next Page IconTo Next Page
To Next Page IconTo Next Page
To Previous Page IconTo Previous Page
To Previous Page IconTo Previous Page
Loading...
FOR TECHNICAL QUESTIONS, CALL (877)432-6627
13
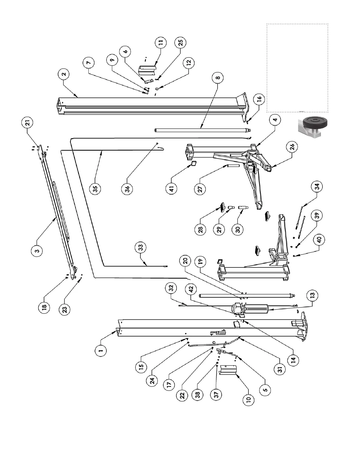
10CX ASSEMBLY DIAGRAM
*Diagram shown
with square li pads.
New models come
standard with round
li pads. Please note:
All Dannmar lis
now come standard
with round li pads
for greater durablitly.
Call for more
information.
information.

Related product manuals