EasyManua.ls Logo

DAPAudio GIG-124C - Block Diagram

DAPAudio GIG-124C
24 pages
Print Icon
To Next Page IconTo Next Page
To Next Page IconTo Next Page
To Previous Page IconTo Previous Page
To Previous Page IconTo Previous Page
Loading...
18
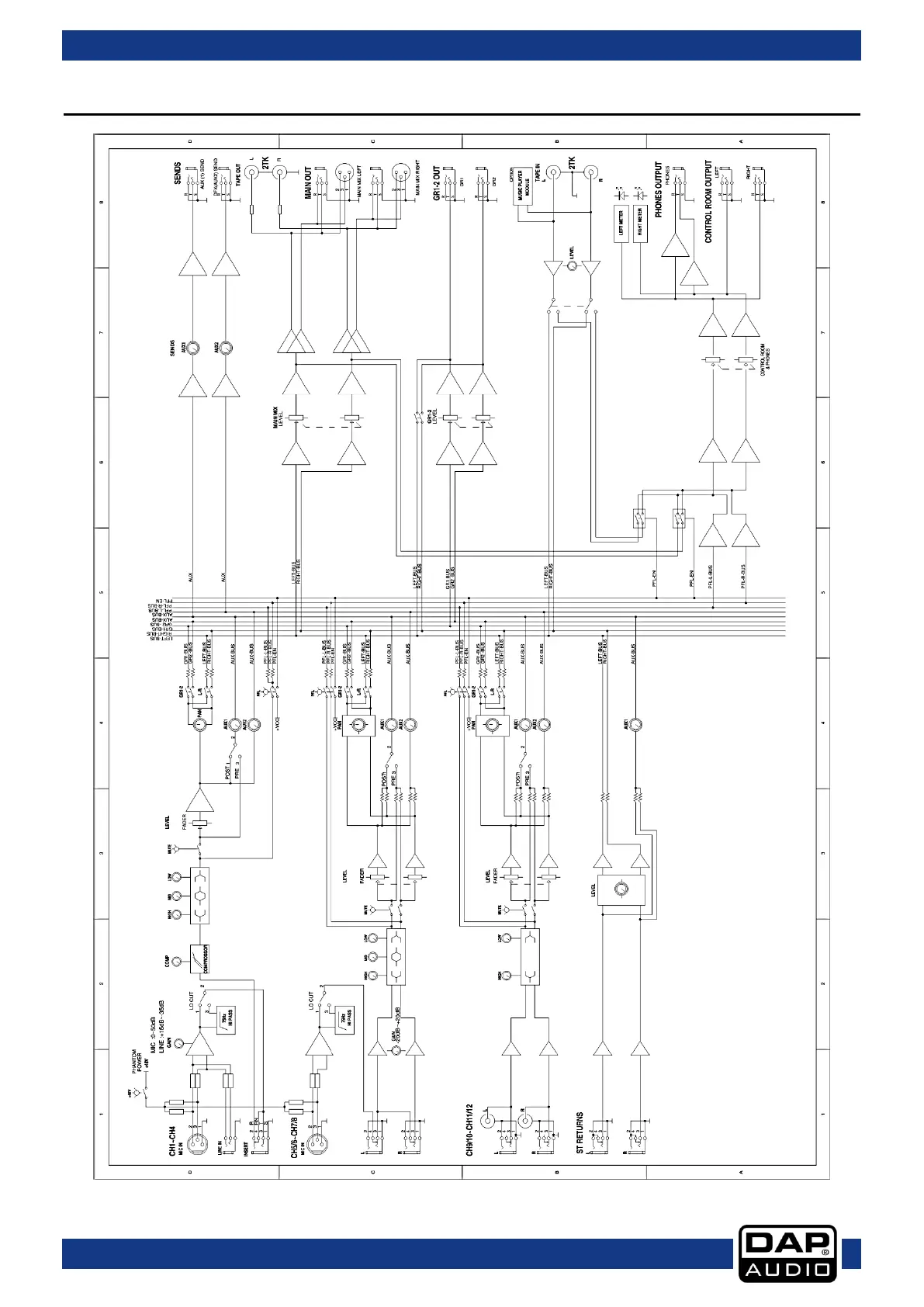
GIG-124C
Order code: D2284
Block Diagram

Related product manuals