EasyManua.ls Logo

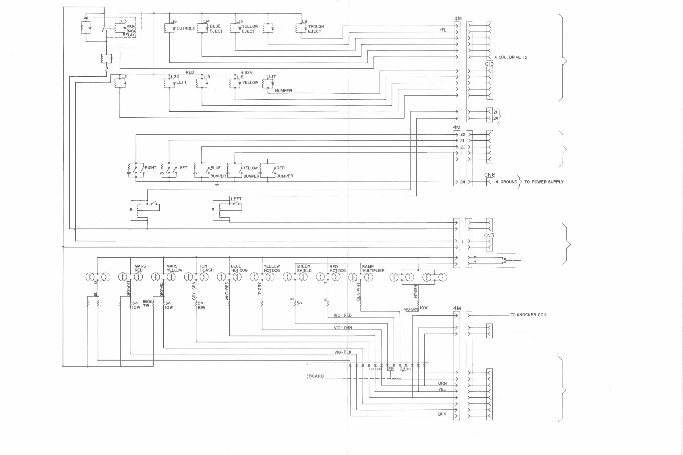
Data East laser WAR - Playfield Coil Wiring Diagram

Default Icon
42 pages
Print Icon
To Next Page IconTo Next Page
To Next Page IconTo Next Page
To Previous Page IconTo Previous Page
To Previous Page IconTo Previous Page
Loading...
๎ข˜๎™ƒ๎žธ๎™ƒ๎™ƒ
๎˜„
๎˜š๎˜š๎˜š๎˜…๎˜†๎˜†๎˜š ๎˜š ๎˜…๎˜ž๎˜ƒ๎›œ
๎šฃ๎™Ÿ๎™›๎›œ
๎ฏŠ๎ฑ๎™‡๎™€๎šถ๎›œ
๎˜ฅ๎˜ฆ
๎˜ท๎˜ธ
๎˜
๎˜น
๎˜‰๎˜Š
๎˜ธ๎˜ธ
๎˜‡๎˜ˆ
๎˜ธ๎˜ท๎˜ท๎˜บ
๎˜†
๎˜น๎˜ท๎˜บ๎˜ธ๎˜จ๎˜ฉ๎˜ธ๎˜ธ๎˜ธ๎˜ธ๎˜ช๎˜
๎˜ซ
๎˜ธ๎˜ธ๎˜ธ
๎˜‹๎˜Œ๎˜ฒ
๎™•๎š‹๎˜ถ๎™‹๎˜ต๎›œ ๎š ๎šฑ
๎˜ฎ
๎˜„
๎˜‘
๎™—๎™–
๎˜ฏ
๎œซ๎‘
๎™ฒ
๎™ฑ๎š‹
๎˜๎˜ท
๎˜ซ๎˜—๎˜ท
๎™
๎˜Ÿ๎™•๎š†๎šณ๎™Ÿ๎›œ
๎˜ท
๎šŽ
๎›„
๎™ˆ
๎šพ๎™Ÿ๎š†๎š†๎š–๎šธ๎›œ
๎š†
๎›…
๎™
๎šฃ๎™Ÿ๎™›๎›œ
๎™ณ๎š‹
๎™•๎šฃ๎š“๎˜‰ ๎™•๎š†๎šƒ๎›œ
๎๎ด
๎จท๎ฑ๎จŒ๎ฎ‰๎ฑ
๎š—๎ฃ
๎˜…๎˜ท
๎˜†๎ด
๎™ผ
๎›Ž๎ฑ
๎™ฟ๎ฑ
๎˜‘
๎˜™
๎˜š
๎™„
๎˜ฐ๎šด
๎™ˆ
๎›‹๎›
๎›Š
๎š–
๎›†
๎™ 
๎™ƒ
๎™Ÿ
๎š๎™Ÿ๎™™๎šฐ๎›œ
๎˜ณ
๎™ก๎š๎™Ÿ๎™™๎šฐ๎›œ
๎™ ๎š๎™Ÿ๎™™๎šฐ๎›œ
๎™ช๎™ด๎™ต๎™ถ๎™ท๎˜ƒ๎š‹
๎˜ธ๎š‹
๎™‘๎šด
๎™˜๎šด๎™น๎™น๎šฑ๎˜‚๎˜‡๎˜ˆ๎›“
๎šฃ
๎›”
๎›•๎™๎›œ
๎™–๎š‹
๎šง๎˜›๎˜›๎˜›๎˜œ๎šจ๎šฑ ๎˜๎™‚
๎™—
๎™ฃ๎™ค
๎˜‘๎˜’๎˜‘๎˜’๎˜‘๎˜‘๎˜’๎˜’๎˜’๎˜’๎˜‘๎˜’๎˜“
๎˜„๎˜…๎˜†๎š‹
๎ฃ’
๎šฉ
๎˜›๎˜ค๎˜ง๎˜ฌ๎˜ญ
๎˜ฃ
๎˜ถ๎™‚
๎˜ ๎˜  ๎˜ ๎˜ ๎˜ก ๎˜ ๎˜ 
๎˜ข๎˜ฒ
๎ฌจ๎ฑ
๎˜—๎˜˜
๎˜ป
๎˜ธ๎˜ป๎˜ธ๎˜ธ๎˜ฎ๎˜ป๎˜ธ๎˜ฎ๎˜ป๎˜ป๎˜น๎˜ธ๎˜น๎˜ท๎˜ท๎˜ท
๎˜‚๎˜ƒ
๎˜ฏ๎˜ฒ
๎งˆ๎ซ‹๎ชŸ๎žถ
๎ฌ˜๎จˆ๎ฑ
๎š™๎ฃ
๎˜†๎˜ท
๎™•๎šฃ๎š“๎˜‹
๎™ซ๎™’๎š”๎›œ
๎š›๎ฃ
๎˜‚๎™‚
๎™•๎šฃ๎š“๎˜Œ ๎™•๎š†๎šณ๎›œ
๎˜ฎ๎˜ฏ๎˜ฐ๎™‚
๎˜‡๎˜ท
๎™•๎šฃ๎š“๎˜
๎™ฌ๎šฃ๎šพ๎›œ
๎˜๎˜‘๎™‚
๎šƒ๎™ท๎™™๎š„๎™•๎™‘๎™™๎šƒ๎›œ
๎™Œ๎™‘๎›œ
๎™•๎š‡๎šณ๎›–๎›œ๎šพ๎™Ÿ๎šŽ๎›œ ๎˜ด๎ฃ๎™Œ๎˜ณ๎šถ๎›œ
๎šฉ๎šŽ๎š–๎˜’๎™•๎š‡๎š–๎›œ
๎˜š๎˜›๎˜œ๎˜๎˜ž๎˜Ÿ๎šด
๎™น๎™บ๎šด
๎˜ป
๎šฃ๎™ท๎™ซ๎™ต๎šฐ๎›œ
๎›ˆ๎›œ
๎šฉ๎šŽ๎™ท๎š“๎™ซ๎šฉ๎™ต๎š–๎šฑ๎›œ
๎˜พ๎˜ฟ๎™€๎™
๎š‰๎˜จ๎š‹
๎›—
๎™
๎šค
๎™Ÿ๎™ง๎šฐ
๎šฃ๎™Ÿ๎™›๎›œ
๎šŒ
๎˜ฆ๎šœ
๎™•๎š†๎šณ๎™Ÿ๎›œ
y
-
๎™พ
๎›ฌ
๎š‰
๎™จ
๎›Ž๎ฑ
๎˜š
๎˜†
๎˜‡๎˜ฑ
๎šฃ๎™Ÿ๎™›๎›œ
๎™–๎šœ
๎šช๎š‡๎™ท๎š•๎›’๎›œ
๎™ฎ๎™ฏ๎šœ
๎šš๎š–๎š›๎›œ ๎šš๎š–๎š›๎›œ ๎š›๎š–๎š›๎›œ
๎šช๎™ต๎š–๎šฒ๎›œ
๎™•
๎šณ๎š๎š›๎™Ÿ๎šฃ๎›œ ๎™•๎šณ๎š๎š›๎™Ÿ๎šฃ๎›œ
๎ฃ“
๎œซ๎ฃ
๎˜ป
๎˜™๎˜ข๎˜Ÿ๎˜ข๎˜œ๎˜ข๎˜๎˜ข
๎˜š
๎˜ฃ
๎˜ž
๎˜ธ๎˜ท๎˜ธ๎˜ธ๎˜ธ๎˜ธ๎˜ท๎˜ธ๎˜น
๎˜„
๎˜Ž๎˜๎˜๎˜ฒ
๎˜•๎˜–
๎˜ธ๎˜ธ๎˜ธ๎˜ธ
๎˜ฐ
๎˜ธ๎˜ธ
๎˜ฑ
๎˜ธ๎˜ธ๎˜ธ๎˜ธ๎˜น๎˜ท๎˜ท๎˜ธ๎˜ธ
๎˜…
๎˜‘๎˜’๎˜“๎˜”๎˜ฒ
๎˜ˆ๎˜ท
๎™•๎šฃ๎š“๎˜‰ ๎šถ๎™ท๎š–๎›œ
๎˜’๎˜“๎™‚
๎˜‰๎˜ท
๎™•๎šŽ๎šณ๎˜Ž ๎™•๎šฃ๎š“๎›œ
๎˜ƒ๎™‚
๎˜ˆ๎˜ท
๎™•๎š‡๎šณ ๎˜ ๎šฃ๎™Ÿ๎™›๎›œ
๎˜„๎™‚
๎˜ˆ๎˜ท
๎™•๎š‡๎šณ ๎˜Š ๎š–๎šฃ๎š“๎›œ
๎˜”๎˜•๎™‚
๎˜‡๎˜ท
๎™•๎šŽ๎šณ๎˜Š ๎šพ๎™Ÿ๎š†๎›œ
๎˜–๎˜—๎™‚
๎ฆ๎ฃ
๎™•๎š†๎›Ž ๎˜Š ๎™ซ๎šฃ๎š“๎›œ
๎š˜๎ฃ
๎˜ฝ๎ฃ
๎™ท๎›œ
๎™‡๎›œ
๎™‰๎›œ
๎™Œ๎›œ
๎ฃฃ๎ฑ
๎™๎›œ
๎˜ถ๎ฑ
๎˜ฆ๎šœ
๎˜ท๎˜ณ๎›œ
๎™ท๎™ท๎›œ
๎˜†๎™‚๎›œ
๎šค๎˜ญ๎ฎŠ๎ฃฆ๎ฑ
๎šฆ๎˜ ๎จน๎ฌŠ๎จ‚๎ฑ
๎™๎˜ ๎šก๎˜ญ๎˜ฟ๎˜บ๎˜ฟ๎™๎ชญ๎˜ ๎ฑ
๎ขท
๎™ž
๎Ÿป๎จด
๎™ท๎›œ
๎šซ๎š–๎š†๎˜ง๎›œ ๎™›๎šฃ๎™น๎šถ๎™Ÿ๎›œ ๎˜ฆ๎šœ
๎™‹๎›œ ๎šฎ๎š†๎˜ฅ๎›œ ๎™›๎šฃ๎™ท ๎šถ๎™Ÿ๎›œ๎ขš๎š…๎ฑ
๎คด๎ฑ๎šซ๎š–๎š๎˜ก๎›œ๎™›๎šจ๎šถ๎™Ÿ๎›œ ๎˜ฝ๎™‡๎›œ
๎™๎›œ ๎šซ๎š–๎šŽ๎˜ ๎›œ๎™›๎šฃ๎™ท๎šถ๎™ฃ๎›œ ๎˜ถ๎™‰๎›œ
๎ฅข๎ฑ๎šฎ๎š‡๎˜ ๎›œ๎™›๎šฃ๎›‡๎šถ๎™ค๎›œ ๎˜น๎™๎›œ
๎˜‘๎ฑ๎™ˆ๎˜ณ๎›œ
๎˜‘๎ฑ๎™๎™๎›œ
๎˜‘๎ฑ๎™๎™๎›œ
๎šก๎›œ ๎™๎™Œ๎›œ
๎˜‘๎ฑ๎™๎™ˆ๎›œ
๎˜‘๎ฑ๎™๎™‰๎›œ
๎™๎›œ
๎šฉ๎šน๎˜จ๎›œ๎˜ฅ๎˜๎˜—๎˜„๎˜ฐ๎™›๎šฃ๎™ท๎šถ๎™Ÿ๎›œ ๎™ท๎›œ
๎˜‘๎ฑ๎ข›๎™ฝ๎ฑ
๎™๎ฑ ๎˜ฅ๎šน๎˜›๎š‹๎˜ฅ๎˜๎˜˜๎˜…๎˜ฐ๎™›๎šฃ๎™ท๎šถ๎™ ๎›œ๎™๎›œ
๎˜‘๎ฑ
๎˜Œ๎ฑ
๎™ˆ๎›œ ๎˜ฅ๎šน๎˜œ๎š‹๎˜ฅ๎˜๎˜˜๎˜„๎˜ฐ๎™›๎šฃ๎™ท๎šถ๎™ ๎›œ๎™ˆ๎›œ
๎˜‘๎ฑ๎˜‘๎˜ฑ
๎™“๎ฑ ๎šฉ๎šน๎˜ก๎›œ ๎˜ฅ๎˜๎˜—๎˜†๎˜ฐ๎™›๎šฃ๎™ท๎šถ๎™ ๎›œ๎™‰๎›œ
๎˜‘๎ฑ๎™ฝ๎™ธ๎ฑ
๎˜ถ๎ฑ ๎˜ฅ๎˜ซ๎˜ƒ๎˜ฐ๎˜ฅ๎˜๎˜˜๎˜‡๎˜ฐ๎™›๎šฃ๎™ฟ๎šถ๎™ ๎›œ๎ค๎ฑ
๎šก๎›œ
๎™พ
๎š…๎ฑ
๎กฒ๎คŽ๎คฐ๎จด๎š๎š๎šŽ๎ค˜๎™ƒ๎จด
๎™•๎šŽ๎šณ๎˜ ๎šถ๎™ท๎š–๎›œ
๎˜˜๎˜™๎™‚
๎™‚๎˜ธ๎›œ
๎˜‡๎˜ท
๎™•๎š‡๎šณ๎˜Ž ๎™ซ๎šฃ๎šฟ๎›œ
๎˜๎˜‘๎™‚
๎ฃฅ๎š‹๎ฑ
๎˜‡๎˜ท
๎šฅ๎šฆ๎™ต๎šด
๎™ง
๎šŽ๎™ท๎š›๎›˜๎™Ÿ๎šฃ๎›œ๎™•๎šณ๎šฐ๎™พ๎š–๎š”๎›œ
๎˜ฆ๎šด
๎™ซ๎šฅ๎š–๎šณ๎š“๎™›๎›œ
๎˜„
๎˜‘
๎™ฆ
๎ฃ“๎šŽ๎คผ๎ขœ๎ขธ๎ข”๎ฃ”๎™ƒ๎จด
๎คถ๎™“๎กซ๎ฆธ๎ฑ
๎™๎šธ๎›œ
๎˜ฅ๎˜…๎˜„๎˜ฑ
๎™‘๎š†๎š†๎›œ
๎˜๎˜ฒ๎™Š๎šธ๎›œ ๎šจ๎ฃ
๎™ƒ๎™‚๎›๎›‚๎›œ
๎™„๎™‹๎šถ๎›œ
๎š๎™‘๎šฃ๎šช๎›œ
๎™–๎š‰๎šต๎™Ÿ๎›œ
๎˜‡๎˜ง๎šด๎˜„๎˜…๎šด
๎›ค
๎Ÿ๎Ÿ‚๎ฃ
๎›ฅ
๎จ…๎จด
๎ ˜๎ ™๎จด
๎šผ๎ด
๎š‘๎ฆถ๎ฑ ๎˜ฑ๎˜ฒ๎™‚
๎™ท๎š–๎šธ๎›œ ๎ฅ๎ฑ
๎›‰๎šฃ๎™ท๎™ซ๎™ต๎šฐ๎›œ ๎˜ก๎˜˜๎˜“๎˜”๎˜›๎˜ฑ
๎˜™
๎š‚๎š†๎šณ๎™Ÿ๎›œ ๎˜จ๎šพ๎™ข๎šŽ๎š๎šผ๎˜ฎ๎šฃ๎™Ÿ๎™›๎›œ
๎š‹๎šœ
๎˜—๎šœ
๎šช๎š‡๎™ท๎š“๎™ซ๎˜“ ๎š‹๎šœ
๎™ฐ๎šœ
๎šช๎šด๎š“๎™ซ๎˜’ ๎š๎š–๎š›๎›œ ๎šŸ๎š›๎›œ ๎š›๎š–๎š›๎›œ
๎šช๎™ต๎š–๎šฐ๎›œ
๎šช๎™ต๎š–๎šฐ๎›œ
๎™•๎šณ๎š๎šž๎šฃ๎™ง๎™•๎šต๎š‘๎š›๎™Ÿ๎šฃ๎šฃ
๎™•๎šณ
๎š๎šœ
๎™Ÿ
๎šค๎›œ
๎˜Ÿ๎˜ 
๎˜
๎˜ข๎˜ฃ๎˜ค๎š‹
๎™›๎š‹
๎šฃ๎™ท๎™ซ๎™ต๎šฐ๎›œ๎™ง๎š‡๎™ป๎š›๎š›๎™Ÿ๎šฃ๎›œ
๎˜ฏ๎š„ ๎šง๎˜จ๎šด
๎™—๎šด
๎˜™๎šœ
๎˜ช๎˜ซ
๎˜œ๎› ๎šŽ๎™ ๎™ง๎šฐ๎›œ
๎™ง๎š‡๎™ท๎š›๎š›๎™Ÿ๎šฃ๎›œ
๎˜ก๎š‹๎˜š๎˜ง๎š‹
๎™–๎šด
๎Ÿ—
๎กซ๎ฃ
๎กถ๎ฃ
๎ “๎ ”๎ฑ
๎™‘๎ฃ
๎™Œ๎ฑ
๎™‹๎˜ฏ๎›œ
๎˜–
๎˜ซ๎˜ฐ
๎กก๎ฃ
๎ขด๎ฃ
๎Ÿ˜
๎™›๎šฑ
๎Ÿ…๎Ÿ†๎Ÿ‡๎ฃ
๎กข๎ฃ
๎Ÿฎ๎ฃ
๎™‹
๎™“๎›œ
๎™ท๎š–๎šธ๎›œ
๎คจ๎ฑ
๎™ท๎š–๎šธ๎›œ
๎ขŸ๎ฃ๎™‡๎™… ๎šถ๎›œ
๎˜ด๎ฃ๎™ˆ๎›ƒ๎›๎šถ๎›œ
๎ ‘
๎™‘๎ฃ
๎™Œ๎ฑ
๎™œ๎šฑ
๎Ÿ™
๎กฌ๎ฃ
๎กต๎ฃ
๎™‹๎˜ฎ๎›œ
๎™ท๎š–๎šบ๎›œ
๎˜ช๎˜ญ ๎˜‚๎˜ฃ๎˜๎˜๎˜ฐ
๎™–๎šŽ๎š…๎˜’๎šฃ๎™ฅ๎™›๎›œ
๎šท๎™ท๎š˜๎˜Š๎˜Ÿ๎˜ฃ๎˜œ๎˜ฐ
๎šถ๎™ท๎š–๎˜’๎šพ๎™ ๎šŽ๎›œ
๎šถ๎™ท๎š–๎˜๎™ฏ๎šฃ๎š“๎›œ
๎šถ๎™ท๎š–๎˜’ ๎™•๎šŒ๎šต๎›œ
๎šถ๎™ผ๎™ฐ๎˜
๎™•๎šŽ๎šƒ๎›œ
๎šถ๎™ธ๎š–๎˜” ๎™ฌ๎™จ๎š€๎›œ
๎˜“
๎˜ƒ๎šœ
๎™ธ๎šฑ
๎™‹๎˜ฐ๎›œ
๎™ป๎š–๎šป๎›œ
๎™•๎š†๎šƒ๎˜–๎™•๎šฃ๎š”๎›œ
๎š–๎šฃ๎š“๎˜‘ ๎™ซ๎šฃ๎š“๎›œ
๎š–๎šฃ๎š“๎˜ ๎šพ๎™Ÿ๎š†๎›œ
๎š–๎šฃ๎š“ ๎˜’ ๎™•๎š†๎šƒ๎›œ
๎š–๎šฃ๎š“๎˜› ๎šฃ๎™Ÿ๎™›๎›œ
๎š–๎šฃ๎š“๎˜‰ ๎™•๎šฃ๎š“๎›œ
๎šธ๎™ต๎šฐ๎›œ
๎™ญ๎šฃ๎šพ๎˜Ž๎šพ๎™Ÿ๎šˆ๎›œ
๎™•๎š†๎šณ๎›œ
๎˜” ๎šพ๎™Ÿ๎š†๎›œ
๎šฃ๎™Ÿ๎™›๎›œ
๎™•๎š‡๎šƒ๎›œ
๎™•๎šฃ๎š“๎›œ
๎š–๎šฃ๎š“๎›œ
๎™ ๎šฝ๎š›๎šŽ๎š–๎šช๎™ท๎™ฎ๎š“๎›œ
๎ฅฟ๎จด
๎ฆ€๎จด
๎™ง๎™ฆ๎šœ
๎˜„๎šœ
๎™ด๎šœ
๎šฆ๎šฑ
๎™ญ๎™’
๎˜†๎šœ
๎ขถ๎จด
๎˜”
๎•
๎ฃ‚๎จด ๎–
๎ขน๎ฃ
๎กฉ๎ฃ
๎šŠ๎šœ
๎™Œ๎ฑ
๎™‹๎˜ญ๎›œ
๎›‘
๎™ท๎š–
๎šธ๎›œ
๎™•๎šŠ๎šƒ๎˜• ๎™ซ๎™”๎š“๎›œ
๎™•๎š‹๎šƒ๎˜Ž ๎šพ๎™Ÿ๎šŽ๎›œ
๎™•๎š‡๎šƒ ๎˜” ๎š–๎šฃ๎š“๎›œ
๎ข™๎˜ท๎›ฆ๎˜ธ๎›ง๎˜ธ๎›จ๎˜ท๎ขฟ๎›ฉ
๎žท
๎ฐธ๎ฑ ๎ž‰๎จ‡๎จด๎จ†๎—
๎ž‡
๎˜
๎œ›๎™๎™ป๎š๎žˆ๎ฅ๎›
๎žŽ๎ž
๎ฆ—๎œ๎ท๎จด๎˜–๎™ป๎จด ๎ฆซ๎จด
๎™ž๎ฑ๎šฉ๎š–๎š†๎™Ÿ๎š”๎š–๎™ธ๎™›๎›œ
๎˜“
๎žป๎ฃ๎ ฒ๎ “๎ฃ๎˜“๎˜ฅ๎ž๎ฃ๎˜“๎˜ฅ๎ž‘๎ฃ
๎˜“๎˜ฅ๎žœ
๎šƒ
๎™ƒ
๎žฃ๎ฃ
๎˜“๎žต๎ฃ
๎กช๎ข™
๎คŸ๎ฑ
๎ฌณ๎ฎฝ๎ฑ
๎›†
๎™ƒ
๎žฑ๎ฃ
๎ฎค๎ค‹๎ฑ
๎˜“
๎žช๎ฃ
๎˜“๎™‰๎ฃ
๎™ฑ๎˜ผ ๎šฃ๎šพ๎›œ ๎™•๎šฃ๎š“๎›œ
๎˜ป๎ฑ
๎š†๎˜ฑ๎šฃ๎›œ๎šซ๎˜ด๎˜˜๎™ธ๎˜›๎šฐ๎™Ÿ๎šฃ๎›œ
๎™๎šด
๎˜ ๎˜ก๎˜ข๎˜ฃ๎šด
๎˜‰
๎›™๎›š๎šฃ๎™›๎››๎˜๎˜—๎˜๎˜˜ ๎ฃ’๎ฃ
๎˜Ž๎˜ ๎™ฒ๎šฃ๎šพ๎˜Š ๎šฆ๎™ ๎™›๎›œ
๎™ณ๎šฃ๎šพ๎˜’ ๎ชซ๎ซŒ๎ช ๎ฑ
๎™ด๎šฃ๎šพ๎˜Ž ๎›€๎™Ÿ๎šŽ๎›œ
๎™ซ๎šฃ๎šพ๎˜Ž ๎™ซ๎šฃ๎š“๎›œ
๎™ซ๎šฃ๎šพ๎˜” ๎™•๎š‡๎šณ๎›œ
๎™ซ๎šฃ๎šพ๎˜‰ ๎šถ๎™ฟ๎š–๎›œ
๎™ซ๎šฃ๎šพ๎˜™
๎™—๎šŽ๎šƒ๎›œ
๎˜ณ๎š”๎ฑ
๎Ž๎ด
๎˜š๎˜›๎™‚
๎˜‡๎˜ท
๎˜…๎™‚
๎˜ˆ๎˜ท
๎˜†๎™‚
๎˜ˆ๎˜ท
๎˜œ๎˜๎™‚
๎˜‰๎˜ท
๎˜ž๎˜Ÿ๎™‚
๎ฅ๎ฃ
๎˜ ๎˜ก๎™‚
๎˜Š๎˜ท
๎˜’
๎™พ๎ข›๎Ÿ˜๎จด
๎จถ๎ฑ
๎šœ๎ฑ
๎™ธ๎›œ
๎˜‘๎˜ฑ
๎šค๎˜ญ๎ขœ๎ฅ™๎ฑ
๎ฅ˜๎ฑ๎šช๎ชช๎˜—๎˜ข๎›œ๎šฉ๎šธ๎™ท๎šฑ๎™š
๎™ถ๎›œ
๎™†๎˜ฝ๎›œ
๎™‰๎›œ ๎šช๎š–๎šŽ๎˜ฃ๎›œ๎šฌ๎šธ๎™บ๎šฐ๎™š๎™ถ๎›œ๎™๎˜ด๎›œ
๎ฃค๎ฑ๎šฌ๎š–๎šŽ๎˜ฉ๎›œ ๎šฉ๎šธ๎™ท๎šฐ๎™™๎™ถ๎›œ ๎ข—๎š๎ฑ
๎™‡๎›œ ๎˜ฆ๎˜ ๎˜˜๎˜ˆ๎˜ฐ๎šฉ๎šธ๎™ท๎šฑ๎™™๎™ถ๎›œ ๎˜†๎˜‘๎˜ฑ
๎™‹๎›œ๎›Œ๎šŽ๎˜ข๎›œ๎šฉ๎šธ๎™ท๎šฑ๎™š๎™ถ๎›œ ๎˜†๎˜๎˜ฑ
๎šˆ๎ฃฉ๎จด
๎žฆ๎™ž๎šˆ๎จด
๎šฃ๎˜ญ๎ฃณ๎ฑ
๎˜ข๎˜ฃ๎™‚
๎˜ฝ๎ฃ
๎˜‡๎™‚
๎˜‡๎˜ท
๎˜ค๎˜ฅ๎™‚
๎˜‡๎˜ท
๎˜ˆ๎™‚
๎˜‹๎˜ท
๎˜ฆ๎˜ง๎™‚
๎˜ˆ๎˜ท
๎˜ƒ๎™‚
๎˜ˆ๎˜ท
๎šฅ๎šฑ
๎๎ด
๎˜จ๎˜ฉ๎™‚
๎˜Œ๎˜ท
๎˜•
๎˜๎˜ท
๎จ
๎œช๎ฃ
๎˜ช๎˜ซ๎™‚
๎˜Ž๎˜ท
๎˜ฌ๎˜ญ๎™‚
๎ฃ๎ฃ
๎˜‰๎™‚
๎˜๎˜ท
๎˜‰๎™‚
๎ข๎ฃ
๎˜Š๎™‚
๎˜‹๎˜ท
๎˜‹๎™‚
๎ง๎ฃ
๎šš๎ฃ
๎ค๎ฃ
๎˜Œ๎™‚
๎ก๎ฃ
๎˜๎™‚
๎˜๎˜ท
๎šค๎šฑ
๎™‹๎›œ
๎™ท๎›œ
๎™ธ๎šœ๎„๎ฑ๎ฐน๎ฎฅ๎ฏก๎ฑ๎˜‘๎˜ค๎˜ž๎˜š๎˜ฐ ๎™ง๎šŽ๎™ท๎šœ๎šœ๎™ ๎šฃ๎›œ
๎™‡๎›œ
๎™Ž๎›œ
๎˜ก๎˜๎˜ซ๎˜๎˜ค๎˜ฐ ๎˜ฅ๎˜ฉ๎˜ก๎˜ข๎˜™๎˜ฏ๎˜ฐ
๎คต๎ฑ
๎ƒ๎ฑ๎™ˆ๎™๎šถ๎›œ๎˜‘๎˜ค๎˜๎˜š๎˜ฐ ๎˜ก๎˜๎˜ฌ๎˜๎˜ค๎˜ฐ ๎˜ฅ๎šณ๎˜ก๎šœ๎˜˜๎šพ๎›œ
๎™๎›œ
๎ฃต๎ฑ ๎˜’๎˜ค๎˜๎šณ๎š“๎™›๎›œ
๎š›๎ฑ
๎˜ˆ๎šด๎˜ฌ๎™ˆ๎™‚๎šถ๎›œ
๎™ง๎šฃ๎š—๎š๎›œ๎š ๎šธ๎™Ÿ๎šฃ๎›œ
๎š๎ฑ
๎šช๎šณ๎š›๎š›๎šŽ๎šพ๎›œ
๎˜˜๎˜Š๎˜ฃ๎˜ฐ๎˜ก๎˜ž๎˜ฌ๎˜๎˜ค๎˜ฐ ๎˜ฅ๎˜๎˜—๎˜๎˜Œ๎˜จ๎˜ฐ
๎˜ค๎˜๎˜—๎˜‹๎˜ฎ๎˜ฐ
๎™พ๎™ž๎Ÿณ๎จด
๎™ผ
๎™ธ๎ฑ
๎˜บ๎™๎›œ
๎˜ถ
๎˜ป๎›œ
๎จต๎ฑ
๎™๎›œ
๎˜ƒ๎ฑ
๎™‰๎›œ
๎คž๎ฑ
๎™๎›œ
๎ฅˆ๎ฑ
๎˜ถ๎ฑ
๎ฃถ๎จ๎ฑ๎จธ๎ฑ
๎˜๎˜ฒ๎˜ท๎šฐ๎š–๎›œ
๎™˜๎™™๎šƒ๎›œ๎˜ณ๎™‚๎˜Ž๎˜๎˜๎˜ฃ๎˜ฐ
๎˜ผ๎˜ฝ๎™‚
๎™๎›œ
๎™ช๎šฃ๎›œ ๎™ฉ๎šŽ๎™‘๎šฉ๎™ต๎›œ ๎˜พ๎˜ฟ๎™‘๎š๎š›๎›œ๎™›๎šฃ๎™ฝ๎šถ๎™Ÿ๎šญ๎›œ
๎šฃ๎ชก๎›‡๎›‡๎ฑ
๎šฆ๎˜ ๎˜บ๎ฌ‹๎จƒ๎ฑ
๎™๎˜ ๎šก๎˜ญ๎˜ฟ๎˜บ๎˜ฟ๎™๎ชฎ๎˜ ๎ฑ
๎™ป๎›œ๎šช๎š–๎š‡
๎˜ฃ
๎™›๎šฃ๎™ท๎šถ๎™Ÿ๎›œ
๎™ท๎›œ
๎šข๎›œ ๎ค๎ฑ
๎™‡๎›œ๎šฉ๎š–๎šŽ๎˜ฆ๎›œ๎™›๎šฃ๎™ท๎šถ๎™Ÿ๎›œ ๎™๎›œ
๎šก๎›œ ๎™‰๎™‹๎›œ
๎™‰๎›œ๎˜ง๎˜—๎˜‰๎˜ฐ๎™๎™ป๎šถ๎™ ๎›œ ๎š‹๎ฑ
๎šก๎›œ
๎™‰๎™‰๎›œ
๎š‘๎ฑ
๎˜ต๎™‚๎™ž๎™ท๎šถ๎™ ๎›œ ๎™‰๎›œ
๎šก๎™‰๎™‡๎›œ
๎™“๎ฑ๎šฉ๎š™๎˜ฃ๎›œ ๎™›๎šฆ๎™ป๎šถ๎™ ๎›œ ๎™Œ๎›œ
๎šก๎›œ๎™‰๎™๎›œ
๎˜๎˜ฑ๎šซ๎š–๎˜˜๎˜›๎š‹๎™›๎šฃ๎™ท๎šถ๎™ฆ๎›œ ๎™๎›œ
๎šก๎›œ
๎™‰๎˜ฝ๎›œ
๎˜ถ๎ฑ๎šฏ๎š†๎˜จ๎›œ ๎™›๎šฃ๎™ท๎šถ๎™Ÿ๎›œ ๎™๎›œ
๎˜‘๎™๎กญ๎ฑ
๎˜ฆ๎šœ๎šฎ๎š‡๎˜ค๎›œ ๎™›๎šง๎™น๎šถ๎™Ÿ๎›œ ๎š›๎ฑ
๎ซ…๎ฑ๎ฃด๎šœ๎ฑ
๎กณ๎™ฆ๎คฑ๎จด๎กฃ๎ค„๎ก˜๎šž๎™ƒ๎จด
๎šฉ๎™ ๎™ ๎›œ๎ง‰๎ฆท๎ง›๎ฉจ๎ฑ๎งŠ๎ชฌ๎ฌ’๎ฑ
๎˜ฌ๎˜•๎˜ค๎˜•๎˜›๎˜’๎˜ฐ ๎™œ๎™ท๎™‘๎™ซ๎šฃ๎™‘๎š’๎›œ
๎กด๎™ฆ๎คฒ๎จด๎š๎š๎ก™๎šž๎™ƒ๎จด
๎˜—๎˜‘๎˜„๎˜ก๎˜‹๎˜๎˜‰๎˜‘๎˜‡๎˜ข๎˜†๎˜–๎˜๎˜‘๎˜ข๎˜ ๎˜๎˜™๎˜๎˜”๎˜Œ๎˜ข ๎˜ˆ๎˜๎˜„๎˜Œ๎˜™๎˜„๎˜’๎˜ข

Related product manuals