EasyManua.ls Logo

Data East laser WAR - Circuit Board Schematics

Default Icon
42 pages
Print Icon
To Next Page IconTo Next Page
To Next Page IconTo Next Page
To Previous Page IconTo Previous Page
To Previous Page IconTo Previous Page
Loading...



































 












 


 
 



 





















n


























 



 
 









 



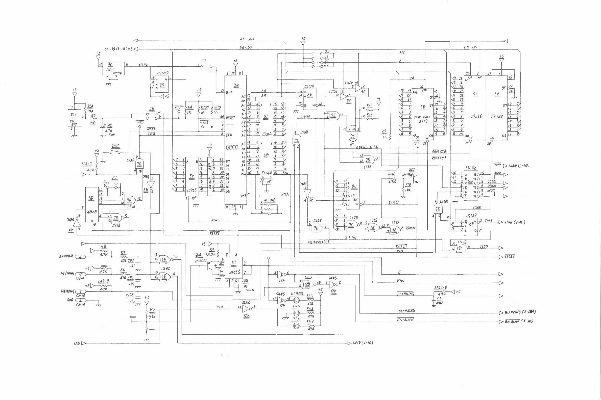
CPU BOARD SCHEMATIC
SHEET 1OF4
29