EasyManua.ls Logo

Data East laser WAR - Page 35

Default Icon
42 pages
Print Icon
To Next Page IconTo Next Page
To Next Page IconTo Next Page
To Previous Page IconTo Previous Page
To Previous Page IconTo Previous Page
Loading...










6
7













































 













 




 





















 

 










 

















































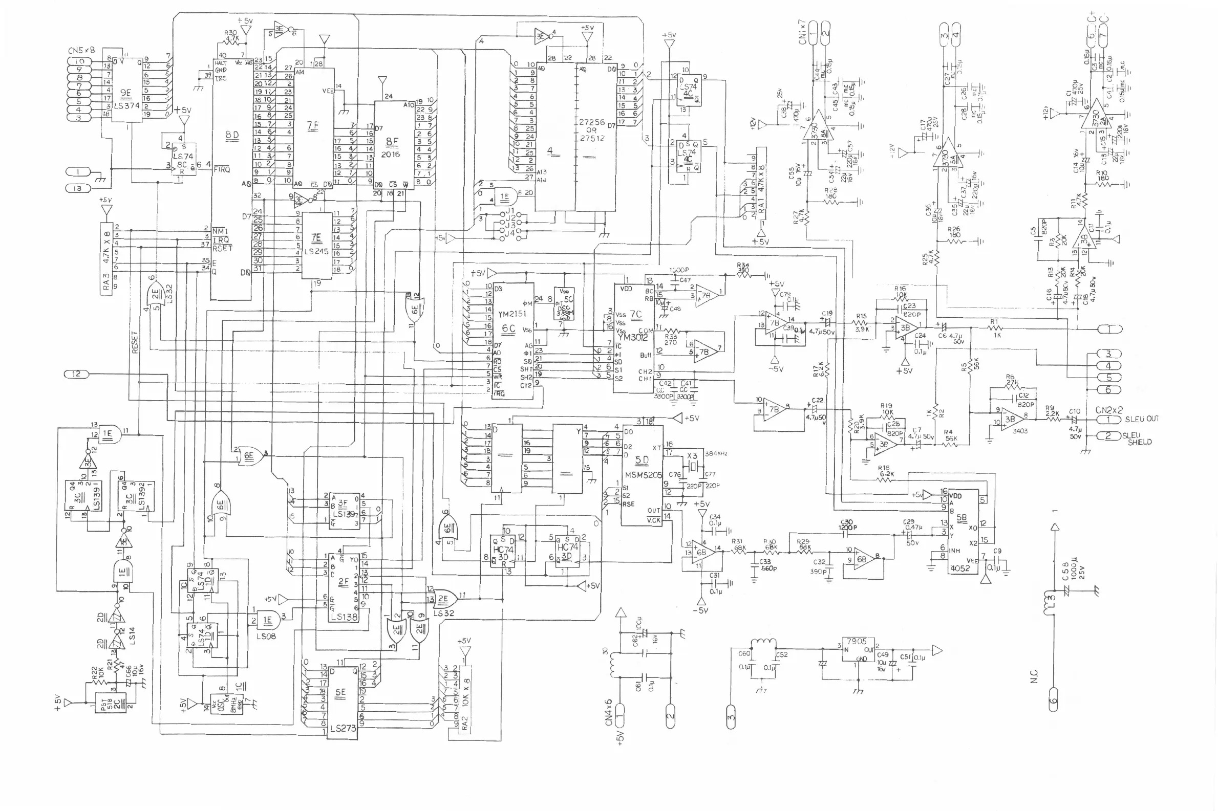
DIGITAL EREO SOUND BOARD SCHEMATIC
33

Related product manuals