EasyManua.ls Logo

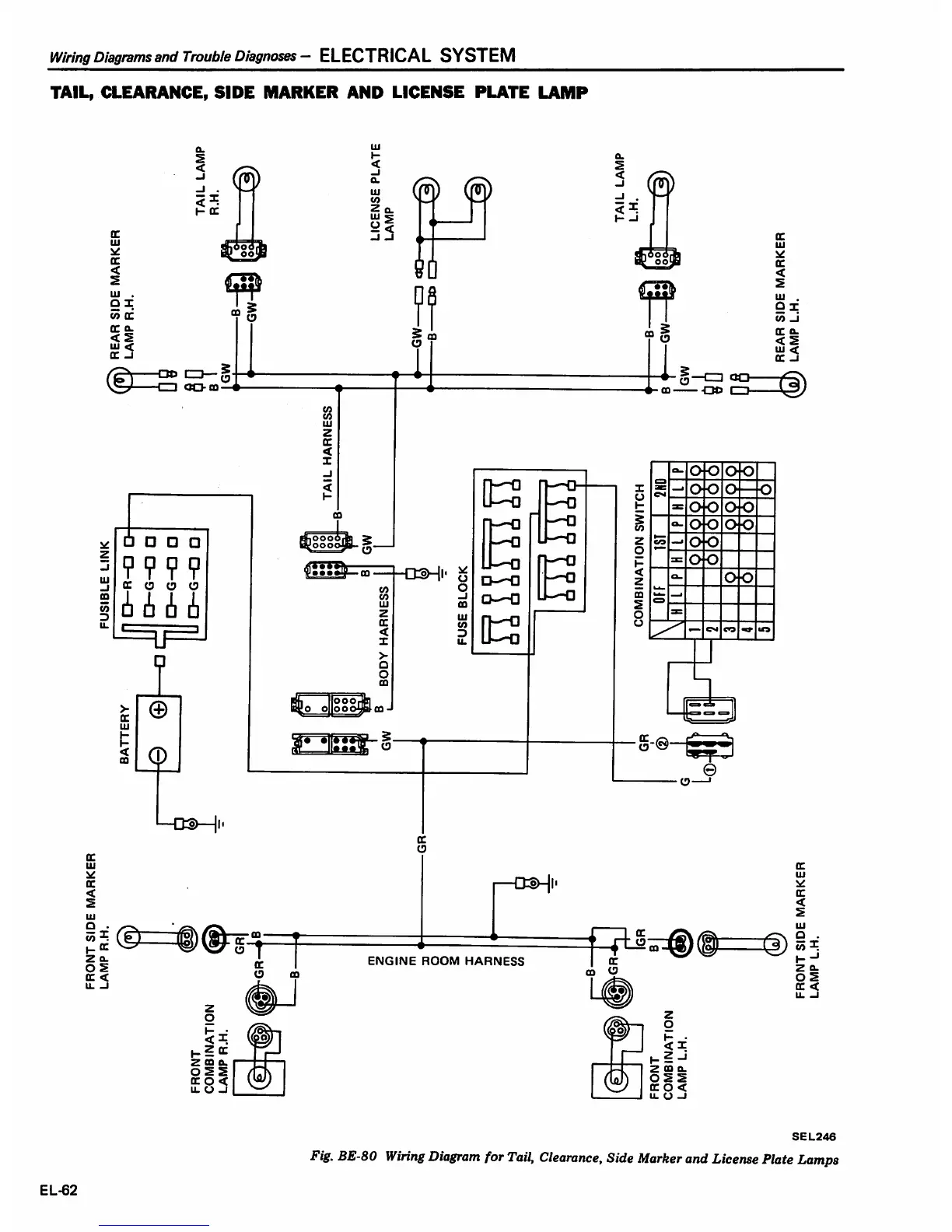
Datsun 1980 310 - Tail, Clearance, Side Marker and License Plate Lamp

Datsun 1980 310
438 pages
Print Icon
To Next Page IconTo Next Page
To Next Page IconTo Next Page
To Previous Page IconTo Previous Page
To Previous Page IconTo Previous Page
Loading...

Table of Contents

Related product manuals