EasyManua.ls Logo

Dazon Raider mini 90S - TRANSMISSION;CRANKCASE

Dazon Raider mini 90S
60 pages
Print Icon
To Next Page IconTo Next Page
To Next Page IconTo Next Page
To Previous Page IconTo Previous Page
To Previous Page IconTo Previous Page
Loading...
Raider Mini 90 (single/double-seat): Service Manual Version2.0 Feb. 2006
27
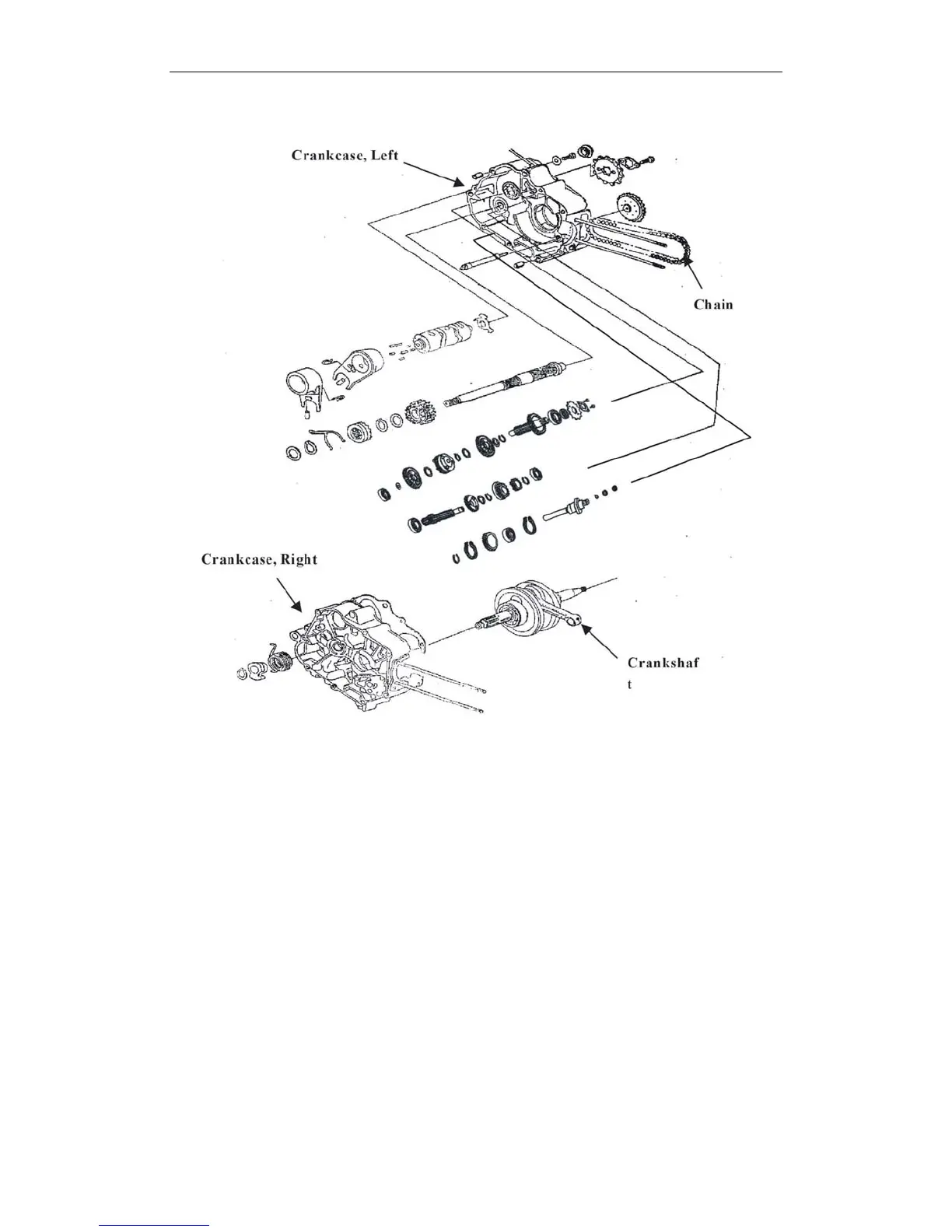
3.3 TRANSMISSION /CRANKCASE
3.3.1 Trouble Shooting
Difficulty in gearshift:
z The clutch was not adjusted properly;
z The gear shifter is bent;
z The guide pin is broken;
z The gear guard is worn out.
Transmission dislocation:
z The guide pin is worn out;
z The gear shifter is bent.
Too much noise:
z The shaft neck bearing is worn out;
z The transmission bearing is worn out.

Related product manuals