EasyManua.ls Logo

Dazon Raider mini 90S - WIRING DIAGRAM

Dazon Raider mini 90S
60 pages
Print Icon
To Previous Page IconTo Previous Page
To Previous Page IconTo Previous Page
Loading...
Raider Mini 90 (single/double-seat): Service Manual Version2.0 Feb. 2006
60
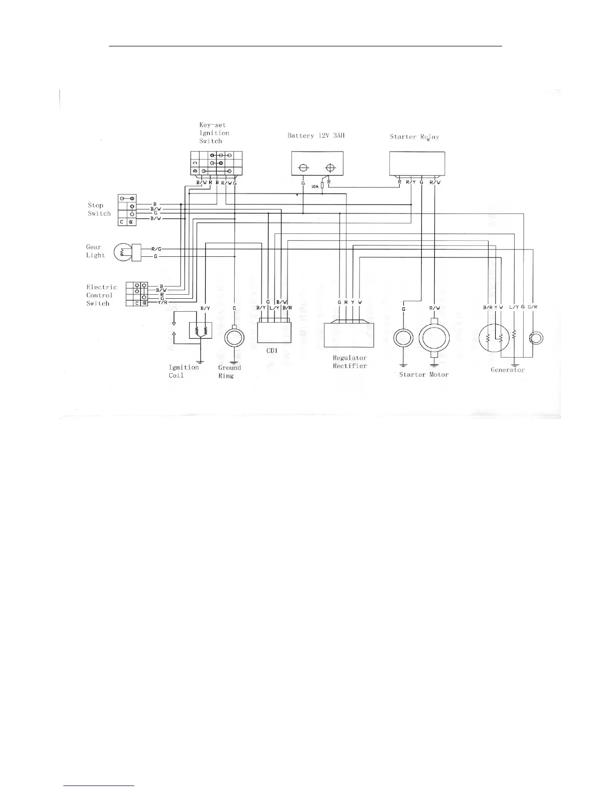
Wiring diagram:

Related product manuals