EasyManua.ls Logo

Dedenbear Thunder T1 - Wiring the THUNDER; Power and Ground Wiring; Transbrake and Button Wiring; Optional Button Wiring

Dedenbear Thunder T1
8 pages
Print Icon
To Next Page IconTo Next Page
To Next Page IconTo Next Page
To Previous Page IconTo Previous Page
To Previous Page IconTo Previous Page
Loading...
PAGE 7
12 or 16 VOLT BATTERY
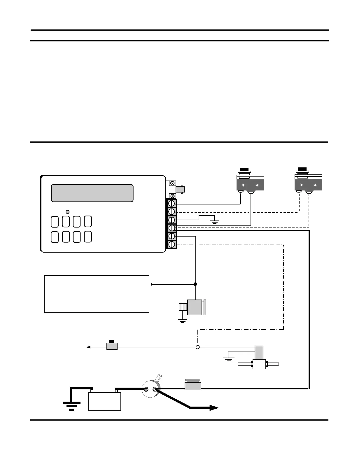
1. Wire the 12v power supply wire directly to the master on-off switch at the back of the car. Use at least 10 gauge wire. Do
not wire the power supply to the starter solenoid, Ford style solenoid, switch panels or existing fuse blocks. Install a 15
amp fuse or circuit breaker to protect the
THUN D ER
from short circuits.
2. Install a 14 gauge wire from the ground terminal to a solid chassis ground, do not use the same ground that the ignition
box uses and do not use aluminum or sheet metal panels as these are not reliable grounds.
3. Wire the transbrake solenoid directly to the Transbrake terminal using 14 gauge wire.
4. If you are going to use a rev limiter on the starting line, tie the rev limiter activation wire in with the transbrake wire.
5. Run a 14 gauge
wire
from the
THUND E R
’s +12 volt terminal to one side of the transbrake button used to launch the car.
Run the other side of the button back to the Trigger terminal on the
THUNDER
. If the button is mounted on the steering
wheel, make sure the stretch cord is at least 14 gauge wire.
6. If you wish to use the optional Skip button, supply power to one side of the button from the
THUND E R
’s +12 volt terminal
using 18 gauge wire. Run a wire from the other side of the skip button to the Skip terminal on the
THUN D ER
using 18
gauge wire.
7. If you wish to use the optional line lock output on the
TH U N DE R
to simultaneously hold the line lock and transbrake on
the starting line, run a 14 gauge wire from the Line Lock terminal on the
THUND E R
to the line lock solenoid.
WIRING THE THUNDER
THUNDER
TRIG
SKIP
GND
+12V
TBRK
L L
TRANSBRAKE
SOLENOID
OPTIONAL
SKIP
BUTTON
TRANSBRAKE
BUTTON
14 GAUGE
14 GAUGE
TO +12 or 16 VOLTS
LINE LOCK
BUTTON
LINE LOCK
SOLENOID
OPTIONAL 14 GAUGE
OPTIONAL 18 GAUGE
- +
TO STARTER & SWITCH PANEL
FUSE: 15 AMP
MASTER SWITCH
10 GAUGE
OPTIONAL 18 GAUGE
14 GAUGE
18 GAUGE
To any accessories that require a transbrake
trigger signal. This includes starting line ignition
rev limiters (MSD 2 & 3 Steps), external throttle
stop controllers and shift timers (Dedenbear
TSC-2A,TSC-4 & ST-1), and some other timers,
RPM switches, data loggers, playback tachs, etc.
413 W. Elm Street, Sycamore, 60178 • (866) 248-6357 • www.autometer.com • service@autometer.com