EasyManua.ls Logo

Delfield Specification Line GAR2P-S - Page 65

Delfield Specification Line GAR2P-S
104 pages
Print Icon
To Next Page IconTo Next Page
To Next Page IconTo Next Page
To Previous Page IconTo Previous Page
To Previous Page IconTo Previous Page
Loading...
Part Number GA_SM 08/18 65
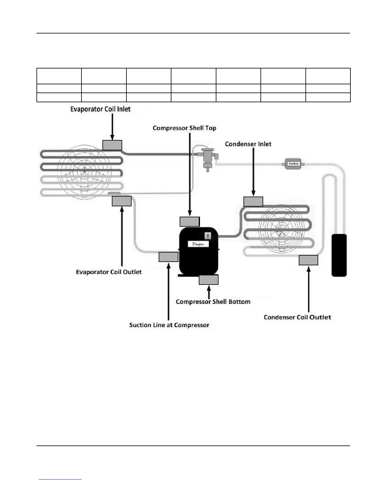
Section 8 Refrigeration
1 SECTION REACHIN REFRIGERATOR
86°F (30°C) Ambient / 32°F (0°C) Box Temperature
Evaporator
Inlet
Evaporator
Outlet
Suction
Line
Compressor
Top
Compressor
Bottom
Condenser
Inlet
Condenser
Outlet
11°F 14°F 57°F 105°F 103°F 116°F 91°F
-12°C -10°C 14°C 41°C 39°C 47°C 33°C
11°F
14°F
104°F105°F
116°F
57°F
103°F
91°F

Table of Contents

Related product manuals