EasyManua.ls Logo

Dell E2722HS - Wiring Diagram

Dell E2722HS
23 pages
Print Icon
To Next Page IconTo Next Page
To Next Page IconTo Next Page
To Previous Page IconTo Previous Page
To Previous Page IconTo Previous Page
Loading...
9
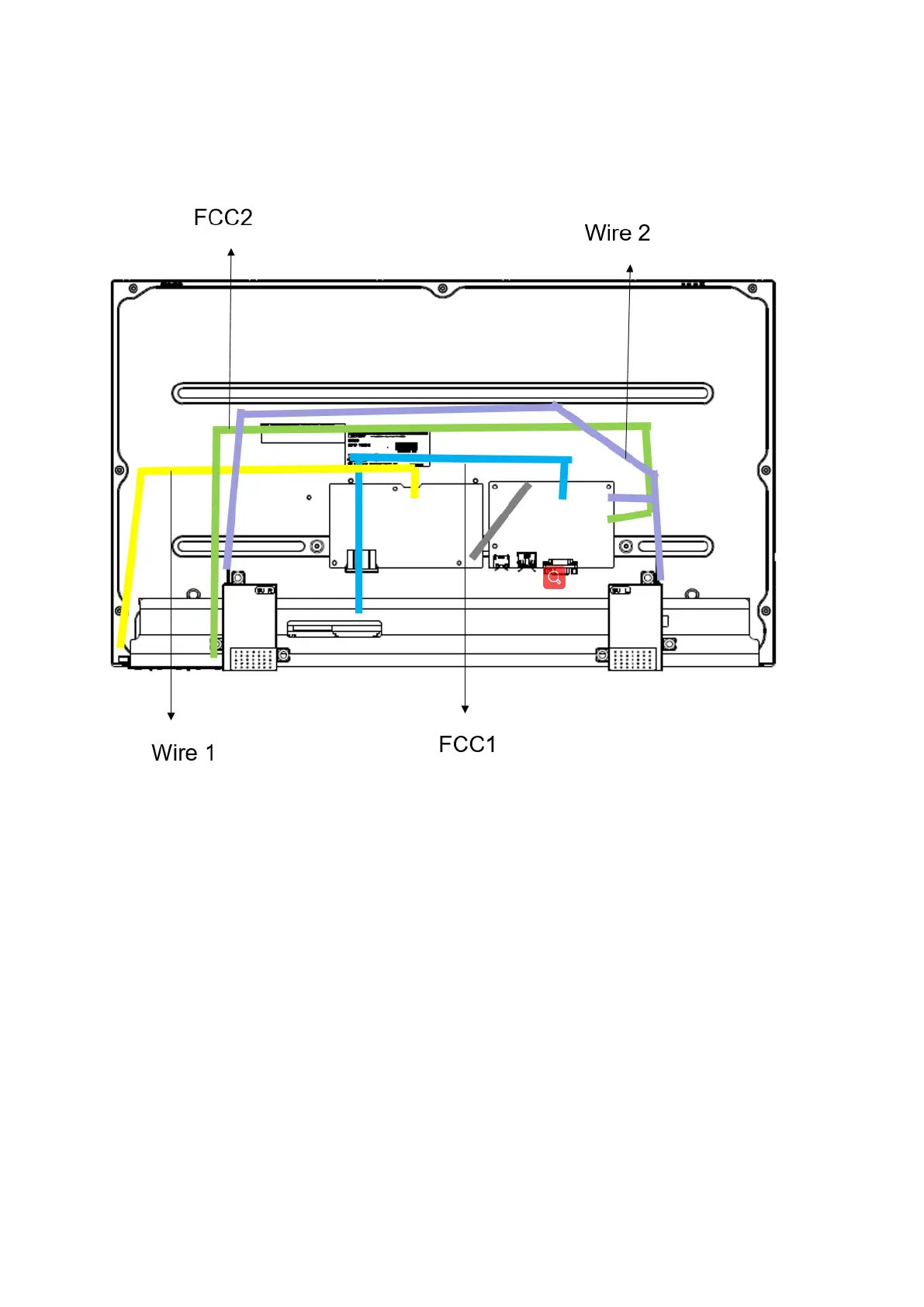
3. Wiring connectivity diagram

Related product manuals